ICSE Solutions for Class 10 Physics – Electric Power and House hold Circuits
ICSE SolutionsSelina ICSE Solutions
APlusTopper.com provides ICSE Solutions for Class 10 Physics Chapter 8 Electric Power and House hold Circuits for ICSE Board Examinations. We provide step by step Solutions for ICSE Physics Class 10 Solutions Pdf. You can download the Class 10 Physics ICSE Textbook Solutions with Free PDF download option.
Download Formulae Handbook For ICSE Class 9 and 10

Short Answers
Question 1: What does the unit kilowatt hour measure? Define it.
Answer: The unit kilowatt hour measures the electrical energy. 1 kWh is the electrical energy consumed by an electric appliance of power 1 kW when it is used for 1 hour.
Question 2: Define Watt hour.
Answer: Watt hour is a smaller commercial unit of electric energy, which is spend by an electric appliance of 1 watt power in 1 hour, i.e.
1 watt hour = 1 watt × hour = 1 watt × (60 × 60)s
= 3600 joule.
Question 3: Define Kilo watt hour.
Answer: Kilowatt hour is a commercial unit of electric energy consumed. It is also called B.O.T. (Board of Trade) unit and is used throughout the world in calculating the amount of electric energy consumed. kWh is defined as the amount of electric energy consumed by an electric appliance of power 1kW for one hour.
Question 4: Express watt hour and kilowatt hour in joule.
Answer: 1 kWh = 1W × 1 hour = 1000 W × (60 × 60) s
= 1W × 1s × 105 × 36 = 36 × 105 J = 3.6 × 106 J
Question 5: What is the energy conversion when an electric current passes through a metallic wire?
Answer: When an electric current passes through a metallic wire, the wire becomes hot and the whole of electric energy is converted into heat energy.
Question 6: State one advantage of a.c. over d.c.
Answer: Advantage of a.c. over d.c. is that it is able to travel long distance without loosing power.
Question 7: Which cable, one rated 15A and the other rated 5A will be thicker? Give a reason.
Answer: The cable rated 15A will be thicker. The reason is that thicker the wire, less is its resistance and hence higher is its current carrying capacity.
Question 8: What is electric power? State and define its S.I. unit.
Answer: Electric power is the rate of doing work or it is the work done in 1 second.
The S. I. unit of power is ‘Watt’.
If a current of 1 ampere flows through a metallic conductor at a potential difference of 1 volt, the power is said to be 1 watt.
or 1 Watt = 1 Volt × 1 Ampere.
Question 9: State three factors on which the heat produced in a metallic wire due to passage of current in it depends.
Answer: (i) On resistance of wire.
(ii) On strength of current through the wire.
(iii) On time for which the current flows in the wire.
Question 10: Explain the meaning of the statement ‘The power of an appliance is 100W’.
Answer: This means that if the appliance is used for 1s, it will consume 100J of electrical energy.
Question 11: An electric current is passed through a metallic wire. The wire gets heated up. Give the reason. Is it possible to melt the wire by passing a heavy current?
Answer: The metallic wire gets heated up on passing an electric current through it due to collisions of free electrons and energy is transferred to the positive ions which begin to vibrate more violently, causing to produce heat. It is possible to melt the wire by passing a heavy current. The wire will melt when its temperature due to heating reaches its melting point.
Question 12: Why is heating coil wound in the form of a helix in electric stove?
Answer: This reduces the area over which element of heater is spread. As heat is produced over smaller area, therefore temperature of its element rises to about 1000°C.
Question 13: Why is the heating coil placed in a circular porcelain plate in an electric stove?
Answer: The procelain plate (i) is bad conductor of electricity (ii) does not melt till 1000°C.
Question 14: What are the two main systems of wiring commonly used in houses? Which of these systems mentioned by you is better and why?
Answer: The two main systems of wiring are: (i) the tree system, and (ii) the ring system.
Out of these systems, the ring system is better. The reason is that this system of wiring is cheaper because a low rating wire can be used for connection of appliances.
Question 15: Point out two main disadvantages of ‘Tree System’.
Answer: The three main disadvantages are:
(i) Longer length of wire is required for wiring different rooms in a house. Since all circuits start from the main distribution board and so it is comparatively more Expensive.
(ii) If fuse blows off in any part of the building, it disconnects all the appliances in the circuit.
Question 16: State two advantages of ‘the ring system of house wiring’.
Answer: The three advantages of ring system are:
(i) Length of wiring used is much less and so less costly, since a single ring feeds the whole house.
(ii) In case of short-circuit, only the fuse of that particular appliance blows off, diconnecting it from the electric circuit; while the circuits of other appliances remain unaffected.
Question 17: Two sets A and B of four bulbs each, are glowing in two separate rooms. When one Of the bulbs in set is fused, the other three bulbs also cease to glow. But in set B, when one bulb fuses, the remaining ones continue to glow. Explain the difference.
Answer: In set A, the bulbs are joined in series so there is only one path of current for each bulb. But in set B, the bulbs are joined in parallel so there is separate path of current for each bulb.
Question 18: How should the electric lamps in a house be connected so that the switching ON or OFF in a room has no effect on other lamps in the same building?
Answer: In parallel.
Question 19: State the colour coding of wires in the flexible lead used for connecting the appliances to the mains in a house circuiting.
Answer: The flexible lead has three wires with insulation of different colours. The red (or brown) is for live, the black (or light blue) is for neutral and the green (or yellow) is for earth connections.
Question 20: Name three main characteristics of an heating element.
Answer: The three main characteristics of an heating element are:
(i) It should have a high resistance so that a major amount of electric energy is converted into heat energy.
(ii) It should not get oxidised easily up to a temperature of 1000°C.
(iii) It should have a high melting point and a low thermal Expansion so that it does not get loosened on getting heated.
Question 21: Mention three uses of the carbon arc.
Answer: (i) They are used in light houses.
(ii) They are used in search lights and cinema projection appliances.
(iii) They are used in electric furnace and electric welding.
Question 22: Name two common material used for heating elements.
Answer: Nichrome and manganin are the common alloys that are mostly used for making heating elements.
Nichrome is: 60% nickel + 25% iron + 15% chromium.
Manganin is: 83% manganese + 13% copper + 4% nickel.
Question 23: In an electric radiator or room heater, state with reason, why the porcelain tube wound with a nichrome wire is placed between the pole and principal focus of the parabolic concave reflector.
Answer: In this position, when current passes through the nichrome wire, it becomes red hot and the concave reflector helps in spreading the heat radiation in the room because it forms a divergent beam on account of the heating element being placed between the pole and the principal focus of the reflector.
Question 24: Why is heating element wound on a long porcelain rod in a room heater.
Answer: This reduces the area over which element of the heater is spread. As heat is produced over smaller area, therefore temperature of its element rises to about 1000°C.
Question 25: Why is a concave reflector placed behind the heating element in a room heater.
Answer: The concave reflector, reflects the heat radiations in the forward direction. Thus, large amount of heat radiations are available in one particular direction.
Question 26: State the position of heating element with respect to principal focus of concave reflector and give reason for choosing this position.
Answer: The heating element is between the pole and principal focus of concave reflector. This in turn, gives rise to a divergent beam of heat radiations.
Question 27: Household wiring for lamp connections can either be done in parallel or in series.Which one would you prefer? Give a reason for your answer.
Answer: We would prefer the parallel wiring. This is done for the following reasons:
(i) In parallel wiring, each lamp can have its independent switch and the disconnection (putting off) of one of them will not effect the other lamps.
(ii) All lamps have the same potential difference (equal to that of the mains) across the terminals and are thus able to work as per their specified rating.
Question 28: What is meant by earthing of an electrical appliance? Why is it essential?
Answer: Earthing of an electrical appliance meant the outer metallic case of appliance is connected with earth, wire which is welded to the end of a copper rod and it is burned in the ground.
It save the appliance during short circuiting by passing Excessive current to earth.
Question 29: What precaution do you observe while connecting a plug top into a socket?
Answer: The plug pins should fit in the socket tightly. Any loose connection will give rise to sparking and burning of the socket or the plug.
Question 30: In a three-pin plug top, one of the pins is thicker and longer than the other two, Give reason. Name this pin.
Answer: The thicker arid longer pin is the earth pin. It is longer so that the earth connection is made first of all and it is thicker so that even by mistake it cannot be inserted into the live socket.
Question 31: Why is that the same current flowing through the bulb heats up the filament, while the leads are not heated up?
Answer: The leads are much thicker than the filament wire. Thus the resistance of the leads is much smaller than that of filament wire. So with the same current, the filament gets heated while the leads are not.
Question 32: A lady working in her kitchen received a shock from an electric hot plate. What could be the reason for the shock?
Answer: The reason can be that the metallic case of the electric hot plate is not earthed and the live wire of hot plate have come in contact with its case.
Question 33: Why is the filament in an electric bulb coiled?
Answer: To have a high resistance, the filament wire is long and thin. To fit in a small space it is coiled.
Question 34: Why is the heating element of an electric oven wound on a helix? State the reason.
Answer: In an electric oven, the china clay plate is provided either with lateral grooves or grooves in the form of a spiral helix. This type of spiral winding reduces the area of spread of nichrome wire and helps to concentrate heat in a small region.
Question 35: The electric bulbs used these days have a coil-coiled filament. State its reason.
Answer: On account of having a coil-coiled filament, the area of spread of tungsten is much and so the heat now produced in a very small area, raises the temperatures to a high degree i.e., 2300°C, producting more bright light.
Question 36: What changes in energy occur in an (i) electric bulb and (ii) electric heater?
Answer: (i) In an electric bulb, electrical energy changes to heat and light energy.
(ii) In an electric heater, electrical energy changes to heat energy.
Question 37: Why mica is preferred to other insulators in an electric iron?
Answer: Mica is preferred to other insulators in an electric iron because mica is a bad conductor of electricity, but it easily conducts away heat. So when current flows through nichrome wire, the heating element is fully protected against any leakage of electric current, whereas heat is easily conducted.
Question 38: What is meant by ‘MCB’? Which part of the domestic electric circuit does it replace?
Answer: ‘MCB’ stands for ‘miniature circuit breaker’. This is a device that automatically ‘switches off the mains supply if the current drawn Exceeds the prescribed upper safe limit. It can be ‘reset’ with the help of a flip-over switch. It protects the entire circuit and appliances against short circuiting, etc.
Question 39: Name the markings of a three-pin plug. Give the colour codes of the connecting leads.
Answer: The three pins of a three-pin plug are:
(i) ‘Live’ pin (ii) ‘Neutral’ pin (iii) ‘Earth’ pin .
The colour of the corresponding connecting leads are (i) ‘Live’ pin—Brown (or Red),
(ii) ‘Neutral’ pin—Blue (or Black), (iii) ‘Earth pin—yellow (or Green).
Question 40: What is a switch? State its function in an electric circuit.
Answer: A switch is an on-off device for current flowing in a circuit or in an electric appliance. The switch should always be connected in the live wire. Its main function is either to connect or disconnect an electric appliance in an electric circuit.
Question 41: What will happen if switch is connected in ‘neutral wire’?
Answer: If switch is connected in the neutral wire, an electric appliance, e.g., an electric iron will remain connected to the live wire even when the switch is off and so if any one happens to touch the appliances; he of she will get a shock which is sometimes fatal.
Question 42: Why a switch should not be touched with wet hands?
Answer: switch should not be touched with wet hands because the water forms a conducting layer between the live wire of the switch and the hand and so we may get a fatal shock when the current passes from the ‘live’ wire to the hand.
Question 43: State the purpose served by the terminals of a three pin plug.
Answer: The earth pin, which is thicker and longer than the other two pins; first connects the appliances to the earth and ensures safety from an electric shock to the user. The live pin on the right and the neutral pin on the left connects the appliance to the live wire and the neutral wire of the circuit at the supply voltage.
Question 44: What are ‘dual switches’? Mention their one main use.
Answer: Dual switches are double pole type switches. With such switches an appliance, e.g., and electric bulb can be switched off or on from two different places. They are generally used in staircases, long corridors etc.
Question 45: Where is a fuse placed in an electrical circuit? Name a material suitable for making a fuse wire.
Answer: The fuse is placed in the live wire just after the ‘electricity meter’ of the consumer. Fuse wires are generally made of an alloy of tin and lead and have a relatively low melting point.
Question 46: An electric filament lamp is connected to a supply of voltage higher than the recommended value. Give reasons, why compared with a normal performance, the lamp emits a brighter light and its life is shortened.
Answer: The lamp will have the filament of a particular resistance. If it is connected to a supply of higher voltage, the heat energy produced in it will be more (since H = V2t/R), i.e., the filament will get more heated so it will glow more and the lamp will emit a brighter light. On the other hand, due to Excess heating, the filament may vaporize and so its life may shorten.
Question 47: Two fuse wires of the same lengths are rated 5A and 20A. Which of the two fuse wires is thick and why?
Answer: 20A wire is thick as it carries large current and so its area of cross-section will be large.
Question 48: Why fuse wire must always be connected in ‘live’ wire? Explain.
Answer: Under any circumstances, fuse wire always be connected in a live wire and never in neutal wire. The reason is that in the case of over-loading, if fuse wire is connected in neutral wire, it will certainly melt and break, but the electric appliance still be in contact with the live wire, so if any person happens to touch the appliance, he will get a shock which may prove fatal.
Question 49: Where are the cartridge type fuse used?
Answer: Cartidge type fuse are used to provide additional safety to an electric appliance. The fuse wire used must have a lower rating than the maximum current which the appliance or the circuit can withstand. Hence, the fuse blows off just the current nearly approaches the maximum value and thus it protects the appliance from any damage done due to heating.
Question 50: ‘The current rating of a fuse is 5A’. Comment on this statement.
Answer: This statement means that the current in the circuit should not Exceed 5A. As the current in circuit will Exceed 5A, the fuse will melt and the circuit will break.
Question 51: What is the rating of fuse used in (i) light and fan circuits, (ii) power circuits, in domestic use?
Answer: (i) The rating of fuse used in light and fan circuits is 5A
(ii) The rating of fuse used in power circuits is 15A.
Question 52: Two lamps are rated 220V, 50W and the other rated 220V, 100W are connected in series with the mains of 220 V. Explain, why the 50W lamp glows more?
Answer: From relation R = V2/P, the resistance of filament of 50W lamp will be more than that of 100W lamp. If the two lamps are connected in series with the mains, same current will flow through each lamp. From relation H = I2Rt, since resistance of 50W lamp is more than that of 100W lamp, so the 50 W lamp will consume more electrical energy than that of 100W lamp, in the same time. Hence the 50W lamp will glow more.
Question 53: Why does not the heating coil produce any visible light? in an electric stove.
Answer: It is because, the temperature of heating element is around 1000°C, whereas visible light is produced if the temperature rises above 1500°C.
Question 54: Of the three connecting wires in a household circuit: Which two of the three wires are at the same potential? In which of the three wires should the switch be connected?
Answer: Neutral wire and Earth wire are at same potential and the switch be connected to live wire.
Question 55: Name two precautions to be observed while using an immersion heater.
Answer: The two main precautions to be observed are:
(i) Never try to find the temperature of water by dipping your fingers in water because some times when water comes in contanct with live or neutral wire, there is a possiblility of getting electric shock.
(ii) The heater must be surrounded by water to the desired level before it is switched on. If not,
so the heat produced in the nichrome wire will not dissipate easily and so the heating element will melt.
Question 56: State two advantages of filling an inert gas in an evacuated electric filament lamp.
Answer: (i) The inert gas is filled at very low pressure to prevent oxidation as well as evaporation and thus increases its life.
(ii) While bulb is working, a convection current is set-up within it which carries the spurting particles of tungsten upward towards the cap and hence the blackening of the lower part (transparent portion) of the bulb is avoided.
Question 57: A device is used to transform 12 V a.c. to 200 V a.c. What is the name of this device? Name the principle on which it works.
Answer: Step-up transformer. Step-up transformer works on the principle of electromagnetic induction.
Question 58: Which material is the calorimeter commonly made of? Give one reason for using this material.
Answer: Copper. It is good conductor of heat.
Question 59: Name a metal that is used as an electron emitter. Give one reason for using this metal.
Answer: Thoriated tungsten (tungsten coated with carbon and thorium) is used as an electron emitter. Thoriated tungsten is used since it has a work function of only 2-6 eV and it needs to be heated to only 2000K to emit electrons.
Question 60: What is ‘Rating’ of an electric appliance?
Answer: Rating of an electric appliance indicates energy consumed per second or watt when connected to a supply of given voltage.
Question 61: If the rating of an electric bulb is 100W – 230V, Explain its meaning.
Answer: If an electric bulb is rated as 100W – 230V, it means that the bulb is lighted on a 230V supply, it consumes 100W electric power (i.e., 100J of energy per sec.).
Question 62: What would happen and why, to an electric bulb when it is connected across a supply of voltage (i) lower (ii) higher than its proper rating?
Answer: We know, Current = Voltage/Resistance
For a given bulb, the filament would have a definite characteristic resistance. Hence
(i) When the bulb is connected to a lower voltage supply, it would draw less current than its ‘proper current’. Hence it would not glow to its full capacity.
(ii) When the bulb is connected to a higher voltage supply, it would draw more current than its ‘proper current’. Hence its filament would get heated to a temperature higher than its proper permitted limit and is, therefore, likely to melt or fuse.
Question 63: An electric bulb is marked 100 W, 230 V. What does this mean?
Answer: This statement means that the bulb is operated at 230 volt and consumes 100 watt of power.
Question 64: Two electric lamps each rating 100 W, 110 V are connected in series to a 220 V power supply and two other electric lamps each of marking 100 W, 220 V are connected in parallel to the same power supply. Will any one of the two combinations give more light than the other? Give a reason for your answer.
Answer: Both combinations will give same light.
Reason: Each combination has same power namely 200 W.
Question 65: Why should switches always be connected to the live wire? Give one precaution that should be taken while handling switches.
Answer: The switch should always be connected to the live wire, so that current is cut off to that appliance to which it is connected. A switch should not be touched with wet hands.
Question 66: What is the order of current drawn by appliances connected to the ‘light circuit’ of a household?
Answer: The appliances, connected to the light circuit, are supposed to draw currents of the order of 10A to 5A.
Question 67: What is the order of current drawn by appliances connected to the ‘power circuit’ of a household?
Answer: The appliances connected to the ‘power circuit’ are supposed to draw currents of the order of 0 to 15A.
Question 68: Give two precautious that you would take while putting off an electric switch.
Answer: We will make sure that no naked wire is touching the button of the switch and neither the hand nor the switch is wet.
Question 69: What is the function of the split rings in a d.c. motor?
Answer: The split ring atts as a commutator in a d.c. motor. With the split ring, the direction of current through the coil is reversed after every half rotation of coil and thus the direction of couple rotating the coil remains unchanged and the coil continues to rotate in the same direction.
Question 70: Why is the electric power from the generating station transmitted at high voltage?
Answer: The electric power from the generating station is transmitted at high voltage to minimise the loss of energy in the live wires.
Question 71: How does the heat produced by die passage of current in a metallic wire depend on: (i) the current in the wire (ii) the resistance of the wire, and (iii) the time of passage of current in the wire?
Answer: (i) The heat produced is proportional to the square of current passed in the wire.
(ii) The heat produced is proportional to the resistance of the wire.
(iii) The heat produced is proportional to the time of passage of current in the wire.
Long Answers
Question 1: What do you understand by ‘earthing’? What are the advantages of earthing in a household electric circuit? Explain, how it is done?
Answer: By earthing we mean that the metallic body of an electric appliance is connected to thick copper wire, which is buried deep in the earth and at its end is a copper plate surrounded by a mixture of charcoal and common salt.
Advantages: It is kind of safety device which saves us from an electric shock, in case when the
metal casing of the appliance happens to touch the live wire or due to short circuiting or leakage of electric current.
Whenever an appliance which is earthed, get short circuited, the current from the metal casing of the appliance flows into the earth which acts as an ‘electric sink’, i.e., its potential always remains zero. Due to the flow of heavy current the fuse in that circuit melts and disconnects the appliance from the circuit.
So the user who happens to touch the appliance is protected from receiving any electric shock. Another advantage is that due to overheating the house wiring system is saved from being damaged and same time from being burnt out.
Procedure: A three core, cord having three wires coated with insulation of red, brown and green colour, is used for connecting die appliance to the mains for drawing current from the mains. At one end of the cord, red is connected to the pin marked L (live), the brown to the pin marked N (neutral) and green to thick pin of the plug. The three wires at the other end of the cord are connected to the appliance such that live and neutral wires are connected to the element and the earth wire is connected to the metal body of the appliance so as to earth it.
Once the plug is put in the socket, the current through the appliance becomes as soon as the switch is pressed. The live wire gets connected to the live wire of the mains. Neutral wire is connected to the neutral of the mains and the earth wire gets connected to the earth in the mains.
Question 2: State relative advantages and disadvantages of ring system of wiring over the tree system.
Answer: Advantages:
(i) The tree system of wiring requires the plugs and sockets of different sizes for different current capacities while they are all of the same size in ring system of wiring.
(ii) The tree system of wiring has one fuse in one distribution line. If the fuse in one distribution line blows, it disconnects all the appliances in that distribution line. But in the ring system, a separate fuse is connected with each appliances. So if one fuse blows, it does not affect the other appliances.
(iii) The tree system of wiring is expensive while the ring system of wiring is cheaper.
(iv) It is expensive and inconvenient to install a new appliance in the tree system of wiring since it requires to put the new leads up to the distribution box, while it is easy to install a new appliance in the ring system since the appliance can be directly connected to ring mains in the room.
Disadvantages:
The only disadvantage of ring system of wiring over the tree system is that while installing a new appliance, care has to be taken that the total load on the ring circuit does not exceed the main fuse rating (i.e., generally 30 amp.).
Question 3: An electric heater is rated 220 V, 550 W.
(i) What does this statement mean?
(ii) Calculate the electrical energy consumed in 3 hours?
(iii) Electrical energy is also measured in kWh. What do you understand by a kilo-watt-hour?
Answer: (i) The statement means that the heater should be connected to 220 V Supply and that it consumes 550 W power.
![]()
(iii) The energy consumed in a resistor when the potential difference is 1V and 1A current flows for 1000 hrs.
Question 4: (i) Two sets A and B, of three bulbs each, are glowing in two separate rooms. When one of the bulbs in set A is fused, the other two bulbs also cease to glow. But in set B, when one bulb fuses, the other two bulbs continue to glow. explain why this phenomenon occurs.
(ii) Why do we prefer arrangements of Set B for house circuiting?
Answer: (i) In set A: Bulbs are in series so if one gets fused others are also affected. In series potential difference is variable, ‘I’ is constant.
In set B: Bulbs are in parallel so if one goes off others continue to glow potential difference is constant, current varies inversely as resistance.
(ii) We prefer set B for household circuits as they are in parallel. Potential difference is constant (220 V) supplied by electricity department and current varies according to value of resistors (or) appliances used. If one circuit goes off, others continue to function.
Question 5: State the reason why, in a three pin plug, the earth pin is longer and thicker than the other two.
Answer: The live terminal of the three pin plug helps us to connect our appliance to the live (or high voltage wire) or the ‘mains’. The neutral terminal connects the other end of the appliance to the ‘ground potential’ wire of the ‘mains’. The ‘earth’ terminal helps us to connect the body of the appliance to a wire whose other end is burned deep in moist earth. This ‘earthing’ of the body of the appliance acts as a safety measure and saves the user from any unwarranted dangerous shocks.
Question 6: Give the role of each of the three terminals of a three way pin plug.
Answer: The earth pin being thicker can never enter live or neutral sockets thus a given electric appliance gets connected only in one proper electrical position, where the live wire, neutral and earthings are connected correctly.
The earth pins being longer, get connected to earth terminal first, thus ensuring that user will not get electric shock, because the current will melt the fuse in case the electrical appliance is short circuited.
Question 7: Why is fuse wire fitted in a porcelain casing?
Answer: Because it is a very safe and convenient device. The fuse wire is stretched between two terminals in a porcelain holder. This porcelain holder is tightly fit into a porcelain socket which
is connected in the live wire in the circuit. Porcelain is a very good insulator and the part of the holder we touch, is far from the live wire and so there are no dangers of getting any electric shock.
Question 8: How does earthing prevent electrical shock?
Answer: Local earthing provides us safety from electric shocking in the case of short circuiting. When excessive current flows through the live wire, it will pass to the earth through the earth wire. In the absence of local earthing, it may causes fire due to over heating of the live wire.
In the case of an electronic appliance, if its outer metallic body is earthed and by chance, if it happens to touch live wire, then metallic casing acquires the potential of the live wire and so any person touching it is likely to get a total shock. But if earthed, a heavy current flows and the fuse connected to the appliances blows off. Thus the person touching it does not get any shock.
Question 9: You are required to connect a bulb, a fan and a socket outlet to the mains in one set A and an air-conditioner and a refrigerator to the mains in other set B. Will you recommend the wire of same thickness and same insulation in both? explain your answer.
Answer: No. The wire used in set B must be thicker and of better insulation than that used in set A. The reason is that in set B, the appliances will draw heavy current (= 15A) when they are used, whereas in set A, the appliances will draw ordinary current (= 5A) when they are in use. Therefore, the resistance of wire used in set B must be less than that of wire used in set A. A thick wire has less resistance than a thin wire.
Question 10: An electric filament lamp is connected to a supply of voltage higher than the recommended value. Give reasons, why comapred with a normal performance, the lamp emits a brighter light and its life is shortened.
Answer: The lamp will have the filament of a particular resistance. If it is connected to a supply of higher voltage, the heat energy produced in it will be more (since H = V2/R), i.e., the filament will get more heated so it will glow more and the lamp will emit a brighter light. On the other hand due to excess heating, the filament may vaporize and so its life may shorten.
Question 11: What is an ‘electric fuse’? State its two characteristics of electric fuse.
Answer: The electric fuse is a safety device in electric circuits, used to limit the current and thus it acts as a safeguard for the household circuit and any electric appliance connected in the circuit from being damaged. Its characteristics are:
(i) It has a low melting point (m.p.) of about 200°C and is usually made from an alloy of 50% tin and 50% lead.
(ii) It has a high resistance so that its temperature rises rapidly and soon exceeds its m.p. and thus breaks it, when current passing through it exceeds the permissible limits. In such a case it acts as a switch.
Question 12: At what voltage is the electric power generated at the generating station? Explain the transmission of this power to your house.
Answer: At the generating station the electric power is generated at 11,000 volt. This voltage is alternating of frequency 50 Hz. To transmit this power to our house the alternating voltage generated at the generating station is first stepped up from 11,000 V to 1,32,000 V. It is then transmitted to the main sub-station through the high-tension line wires, where it is stepped down to 3,300 V and then transmitted to the city sub-station. At the city sub-station, the voltage is further stepped down to 220 V for supply to the houses through the overhead line wires.
Question 13: How is the amount of heat produced calculated due to passage of current in a metllic conductor? Derive an expression for it.
Answer: It is calculated by finding the amount of work done in sending the current through the conductor.
Let a current of i ampere flow in conductor having a potential difference of V volt across its ends for t second.
If Q be the amount of charge that flows in the conductor in t second.
Then Q = i × t coulomb
Since the amount of work done in: moving a charge Q across the ends of a conductor is W.
then W = Q × V joule
i.e., = i × t × V = Vit joule
or, the amount of heat produced Q = V it joule.
Figure Based Short Answers
Question 1: Draw diagram of a three pin socket outlet and state the connections made to them.
Answer: A three pin socket outlet is shown in figure.

E—Earth
N—Neutral
L—Live wire.
Question 2: Draw a diagram of a three pin plug top. Mark the pins used for live, neutral and earth connections as L, N and E respectively. To which part of the appliance is the pin marked as E connected. To which line L or N is the fuse connected?
Answer: The labelled diagram of a three pin plug top is shown below.

The pin market as E is connected to the outer metallic case of the appliance. The fuse is connected to the live line L.
Question 3: Draw a labelled diagram with necessary switch, regulator etc. to connect a bulb, a plug socket outlet and a fan with the mains. In what arrangement have you connected these to the mains?
Answer:

Figure Based Long Answers
Question 1: Explain the significance of kWh meter, main switch and main fuse in house-circuiting.
Answer: The electric cable coming to a house consists of three separate insulated wires, namely, live (phase) wire, neutral wire and earth wire. The neutral and earth wire on the supply end are connected together so that both of them are at zero potential.
Inside the house, the live and neutral wires are connected to the input terminals of kWh meter, while the earth wire is connected to the body of the kWh meter. The kWh meter-reads the units of electric energy (in kWh), consumed in a house. Without the kWh meter, it is not possible to correctly note the electric energy consumed in a house or by an electric appliance.

The live wire coming out from the output terminal of kWh meter has another fuse in it which is called the main fuse. If the main fuse blows off the entire circuit of the house wiring system is disconnected from the mains supply.
Beyond main fuse the live and neutral wires are connected to a main switch which consists of a double pole iron clad switch. This switch can cut off the live and neutral wires from house hold circuit by operating a single lever. The iron casing of the main switch is locally earthed. Then the power flowing out of the main switch is distributed in house by the common ring or three wire system. The diagram illustrates the working of the kWh meter, the main fuse and the main switch.
Question 2: Draw a circuit diagram using dual switches to light staircases electric light and explain its working.
Answer: Dual control switches are the double pole type switches which are generally used at the top and bottom of a starcase, or at the opposite ends of a long corridor, etc. With such switches, the appliance (say, a bulb) can be switched on or off from, two different places.

The working and circuits of a dual control switch are illustrated in Fig. a,b,c. Let a switch S1 be fitted at the top of the staircase. Fig. (a) shows the off position of the bulb.
The bulb can now be switched on independently by either the switch S1 or the switch S2 If the switch S1 is operated, the connection ‘ab’ is changed to ‘bc’, which completes the circuit and the bulb lights up [Fig. (b)]. Similarly, on operating the switch S2, the connection ‘bc’ changes to ‘ba’, which again completes the circuit [Fig. (c)].
Similarly, if the bulb is in on position as shown in Fig. (b), one can switch off the bulb by changing the connections ‘ab’ to ‘bc’ either by the switch S1 or the switch S2.
In a starcase, while going up a person puts on the light by operating the switch S1 so that the connection ‘ab’ changes to ‘bc’ and makes the current to flow in the circuit. On reaching at the top of operates the switch S2 to put off the light so that the connection ‘cb’ changes to ‘ba’ and the flow of current stops.
The same system is operative when a person puts on light by operating the switch S2 to change the connection ‘cb’ to ‘ba’ and switch off the light by operating the switch S1 to change the connection ‘ab’ to ‘bc’.
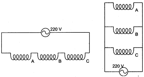
Question 3: The diagram below shows two ways of connecting three bulbs A, B, C to 220 V main in a room. Name the two arrangements. Which of them would you prefer? Give two reasons to your answer.

Answer: The arrangement shown in the figure (i) is a series arrangement.The arrangement in figure (ii) is the parallel arrangement.
We prefer the parallel arrangement. The reasons are:
(i) In series arrangement if one of the bulb is fused, the other bulbs also cease to glow. But in parallel arrangement, if one bulb fuses, the other bulbs continue to glow.
(ii) In series arrangement, while one bulb glows if the other bulb is switched on, the resistance of the circuit increases and hence the bulbs glow less bright. But in parallel arrangement, each bulb glows at the same voltage, therefore the glow of a bulb is unaffected if another bulb is switched on.
Question 4: Three 250 W heaters are connected in parallel to a 100 V supply, Calculate:
(i) Total current taken from the supply.
(ii) The resistance of each heater.
(iii) The energy supply in kWh to the three heaters in 5 hour.
Solution:


Question 5: An electric bulb is rated 240V-60W and is working at 100% efficiency.
(i) Calculate the resistance of bulb.
(ii) (a) Draw the circuit diagram.
(b) What is the rate of conversion of energy in each bulb?
(c) Total power used by the bulbs.
Solution:

Question 6: With reference to the diagram shown below calculate:

(i) The equivalent resistance between P and Q.
(ii) The reading of ammeter.
(iii) The electrical power between P and Q.
Solution:

Short Numericals
Question 1: State other bigger units of electric power and express them in watt.
Solution:

Question 2: State (i) the S. I. unit, (ii) the household unit, of electrical energy. How are these units related?
Solution:

Question 3: An electric kettle is rated 3kW, 250V. What should be the current capacity of the fuse with it?
Solution:
![]()
Thus, the fuse should be of current capaicty slightly less than 12A.
Question 4: I ampere of current is passed through a resistor of resistance R ohm for time t second. Obtain expression for (i) the electrical energy, and (ii) the electrical power spent.
Solution: Potential difference across the resistor V = IR volt
Charge passed in resistor Q = It coulomb
(i) Work done (or the electrical energy spend) in passing charge Q coulomb through the resistor at potential difference V volt = QV joule

Question 5: How can electric energy consumed by an electric appliance be calculated in kilowatt hour (kWh)?
Solution:

Question 6: What is the resistance of an appliance rated at V volt, P watt?
Solution:

Question 7: A family uses a light bulb of 100W, a fan of 100W, and a heater of 1000W, each for 8 hours a day. If the cost of electricity is Rs. 2 per unit, what is the expenditure to the family per day, on electricity?
Solution: Power consumed in watt hours


Question 8: Establish the relation that heat produced in a metallic conductor due to the flow of current is V2t/R joules, where V is the potential difference across the ends of the conductor, R its resistance
and t is the time in second for which current flows.
Solution:

Question 9: Find the heat produced in joules when a current of 10 amperes flows through a connecting wire of resistance 2 × 10-2 ohms and heating element of resistance 250 ohms for 2 seconds.
Solution:

Question 10: An electric lamp A of 40 W and another electric lamp B of 100 W are connected to 220 V supply. Calculate the ratio of their filament resistances?
Solution:


Question 11: In what unit does the domestic electric meter measure the electrical energy consumed? State the value of this unit in S.l. Unit.
Solution: The domestic electric meter measure the electrical consumption in kilowatt-hour (kwh).

Question 12: Find the energy released by a current of 0.25 amperes flowing through a heater for 5 minutes. The p.d. is 230 V.
Solution:

Question 13: An electric iron is rated at 230 V, 750 W. What is its resistance? What maximum current can be passed through it?
Solution:

Question 14: An electric bulb is rated as 100W – 250V. What information does it convey? Calculate: (i) the resistance of its filament while glowing, and (ii) the current through the filament of the bulb.
Solution: The rating 100W – 250V on the bulb means that if the bulb is lighted on a 250V supply, it consumes 100W electrical power (i.e., 100J electrical energy in 1 second).

Question 15: An Electric bulb is marked 100 W, 230 V. What find the energy consumed by the bulb in one hour.
Solution: Energy consumed in Is is 100 J.
∴ Energy consumed in hour = 100 × 60 × 60J = 360000 J.
Question 16: An Electric bulb is marked 100 W, 230 V. What current does it take?
Solution:
![]()
Question 17: An Electric bulb is marked 100 W, 230 V. What how long would this lamp take to consume one unit of electricity?
Solution:

Question 18: Out of the three fuses with current ratings 5A, 10A, 15A, which one is to be connected in a geyser circuit marked 3 kW, 220V? Give reason for your answer.
Solution:

The rating of fuse should be just matching with the maximum current carried by the circuit. So the fuse rating should be of 15A.
Question 19: The equation I2R seems to suggest that the rate of heating in a resistor is reduced if resistance decreases, whereas equation P = V2/R suggests just the opposite. How do you reconcile this problem?
Solution: There is no contradiction in the relation. It V is constant, on decreasing resistance, the current increases and so as P = I2R the same result we gets from equation P = V2/R.
Long Numericals
Question 1: An electric bulb is rated as 100W-250V. What information does it convey? Calculate:
(i) The resistance of its filament while glowing, and
(ii) The current through the filament of the bulb.
Solution: The rating 100W – 250 V on the bulb means that if the bulb is lighted on a 250V supply, it consumes 100W electrical power i.e., 100 electrical energy in 1 second.


Question 2: Two resistances R1 = 4Ω and R2 = 6Ω are connected in series. The combination is connected with a battery of e.m.f. 6V and negligible resistance. Calculate: (i) the heat produced per minute in each resistor, (ii) the power supplied by the battery.
Solution: Given: R1 = 4Ω, R2 = 6Ω, E = 6V, t = 1 minute = 60s.
Total resistance of the circuit R = R1 + R2 = 4 + 6 = 10Ω

Question 3: A bulb is connected to a battery of e.m.f. 6V and internal resistance 2Ω A steady current of 0.5A flows through the bulb. Calculate: (i) the total energy supplied by the battery in 10 minutes, (ii) the resistance of the bulb, (iii) the heat energy dissipated in the bulb in 10 minutes.
Solution: Given: E = 6V, r = 2Ω, i = 0.5A, t = 10 minute = 10 × 60s = 600s.

Question 4: A battery of e.m.f. 12V and internal resistance 1.6 Ω is connected to two resistors of 4Ω and 6Ω connected in parallel. Calculate: (i) the current drawn from the battery, (ii) the power dissipated in each resistor, (ii)the total power supplied by the battery.
Solution:

Question 5: A bulb is marked 100W, 220V and an electric heater is marked 2000 W, 220 V.
(i) What is the ratio between the resistances of these two devices?
(ii) How does the power-voltage rating of a device help us to decide about the type of leads (connecting wires) to be used for it?
(iii) In which of the above two devices, a thicker connecting wire of lead is required?
Solution:


Hence power-voltage rating help us in this case. The current through the bulb is only 0.45 A while through the heater it is 9.09 A. Hence a heavy lead (to avoid power loss due to heating effect) is needed for the heater which for a bulb an ordinary thin connecting wire is required.
(iii) Electric heater requires a thicker wire of lead.
Question 6: An immersion rod having resistance of 50 Ω is connected to 220V main supply. Assuming that all the energy generated goes to heat the water, calculate the time taken to heat 5 kg water from 30°C to 100°C.
Solution:

Question 7: A house is provided with 15 bulbs of 40W, 5 bulbs of 100W, 5 fans of 80 W and one heater of 1.0 kW. Each day bulbs are used for 4h, fans for lOh and heater for 2h. The voltage of mains is 220 V. Calculate:
(i) Maximum power of the circuit in the house, (ii) maximum current capacity of the main fuse in the house, (iii) the electrical energy consumed in a week, (iv) cost of electricity consumed at 1.25 Rs. per kWh.
Solution:


Question 8: Two bulbs are rated: bulb A 100W, 120 V bulb B 10 W, 120 V. If both are connected across a 120V supply, which bulb will consume more energy, (i) When in series? (ii) When in parallel? Also calculate the current through each bulb in above cases.
Solution:


Question 9: A. bulb is rated at 100W, 250V and another one at 60W, 250V. What is the current flowing in the circuit if the two bulbs are put in series across a 220 V mains supply?
Solution:
![]()

Question 10: The resistance of filament of an electric heater is 500 Ω It is operated at 200V for 1 hour daily. Calculate the current drawn by the heater and the energy consumed: (i) in joule (ii) in kWh, by the heater in a month of 30 days.
Solution:

Question 11: An electrical appliance is rated 1500 W, 250 V. This appliance is connected to 250 V mains. Calculate:
(i) the current drawn,
(ii) the electrical energy consumed in 60 hours,
(iii) the cost of electrical energy consumed at Rs. 2.50 per kWh.
Solution:

Question 12: An electric appliance is rated at 1000 W, 250V. Calculate:
(i) The electrical energy consumed by the appliance in 12 hour.
(ii) The cost of energy consumed at Rs. 1.20 per kWh.
How long would this appliance take to use 1 kWh energy when operated at 250 V?
Solution:


Question 13: The following table gives the electrical appliances used, their power and the average time for which they are used each day in a home. Estimate the monthly electricity bill if the rate is 60 paise per unit.

Solution: We first calculate the total kWh consumption of each appliance per day. This is done is below:

Question 14: A consumer uses 4 lamps of 60 watt, 2 lamps of 40 watt, and 2 lamps of 100 watt. All these are used for 6 hour daily. Find the total bill for 30 days when the rate of energy is 75 paise per unit and the meter rent is Rs. 1.
Solution:

Question 15: Find the cost of operating an electric toaster for two hours if it draws 8 A current on a 110 volt circuit. The cost of electrical energy is Rs. 2.50 per kWh.
Solution: Time = 2 hrs, I = 8A, V = 110 volt
Power = IV
= 8 × 110

For More Resources
