Plus Two Physics Chapter Wise Questions and Answers Chapter 14 Semiconductor Electronics: Materials, Devices and Simple Circuits

Plus Two Physics Chapter Wise Questions and Answers Chapter 14 Semiconductor Electronics: Materials, Devices and Simple Circuits is part of Plus Two Physics Chapter Wise Questions and Answers. Here we have given Plus Two Physics Chapter Wise Questions and Answers Chapter 14 Semiconductor Electronics: Materials, Devices and Simple Circuits.

BoardSCERT, Kerala
Text BookNCERT Based
ClassPlus Two
SubjectPhysics Chapter Wise Questions
ChapterChapter 14
Chapter NameSemiconductor Electronics: Materials,
Devices and Simple Circuits
CategoryKerala Plus Two

Kerala Plus Two Physics Chapter Wise Questions and Answers Chapter 14 Semiconductor Electronics: Materials, Devices and Simple Circuits

Plus Two Physics Semiconductor Electronics: Materials, Devices, and Simple Circuits NCERT Text Book Questions and Answers

Question 1.
In an n-type silicon, which of the following statement is true.
(a) Electrons are majority carriers and trivalent atoms are the dopants.
(b) Electrons are minority carriers and pentavalent atoms are the dopants.
(c)  Holes are minority carriers and pentavalent atoms are the dopants.
(d) Holes are majority carriers and trivalent atoms are the dopants.
Answer:
(c) Holes are minority carriers and pentavalent atoms are the dopants.

Question 2.
Carbon, silicon, and germanium have four valence electrons each. These are characterised by valence and conduction bands separated by energy band gap respectively equal to (Eg)c, (Eg)Si and (Eg)Ge. Which of the following statements is true?
(a) (Eg)Si < (Eg)Ge < (Eg)c
(b) (Eg)c < (Eg)Ge < (Eg)Si
(c) (Eg)c > (Eg)Si > (Eg)Ge
(d) (Eg)c = (Eg)Si = (Eg)Ge
Answer:
(c) (Eg)c > (Eg)Si > (Eg)Ge

Question 3.
When a forward bias is applied to a p-n junction, it.
(a) raise the potential barrier.
(b) reduces the majority carrier current to zero.
(c) lowers the potential barrier.
(d) None of the above
Answer:
(c) lowers the potential barrier.

Question 4.
For transistor action, which of the following statements are correct:
(a) Base, emitter and collector regior should have similar size and dopin concentrations.
(b) The base region must be very thin are lightly doped.
(c) The emitter junction is forward biase and collector junction is reverse biased.
(d) Both the emitter junction as well as to collector junction are forward biased.
Answer:
(b) The base region must be very thin are lightly doped,
(c) The emitter junction is forward biase and collector junction is reverse biased.

Question 5.
For transistor amplifier, the volta gain.
(a) remains constant for all frequencies.
(b) is high at high and low frequencies.
(c) is low at high and low frequencies a constant in the middle frequency large.
(d) None of the above.
Answer:
(c) is low at high and low frequencies a constant in the middle frequency large.

Question 6.
In half-ware rectification, what is the output frequency if the input frequency is 50Hz. What is the output frequency of a fullwave rectifier for the same input frequency.
Answer:
Given Input frequency = 50Hz
Output frequency
For Halfwave rectifier = 50 Hz
For full wave rectifier = 50 × 2 = 100 Hz.

Question 7.
A p-n photodiode is fabricated from a semiconductor with band gap of 2.8eV. Can it detect a wavelength of 6000 nm?
Answer:
Band gap Eg = 2.8 eV
Energy band gap corresponding to wavelength 6000 nm is given by
Plus Two Physics Chapter Wise Questions and Answers Chapter 14 Semiconductor Electronics Materials, Devices and Simple Circuits Textbook Questions Q7
Since Eg, < Eg, so it can not detect a wavelength of 6000 nm.

Plus Two Physics Semiconductor Electronics: Materials, Devices, and Simple Circuits One Mark Questions and Answers

Question 1.
The zenerdiode works in______bias.
Answer:
reverse bias.

Question 2.
A transistor is operated in a common emitter configuration at Vc = 2 V, such that a change in the base current from 100 µA to 200 µA produces a change in the collector current from 5 mA to 10 mA. The current gain is
(a) 100
(b) 150
(c) 75
(d) 50
Answer:
(d) 50
Explanation: Current gain,
Plus Two Physics Chapter Wise Questions and Answers Chapter 14 Semiconductor Electronics Materials, Devices and Simple Circuits Textbook Questions 1M Q2

Question 3.
The electrical conductivity of an intrinsic semiconductor at 0 K is
(a) less than that an insulator
(b) equal to zero
(c) equal to infinity
(d) more than that of an insulator
Answer:
(b) equal to zero.

Question 4.
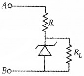
The voltage between the terminals A and B is 17 V and Zener breakdown voltage is 9 V. Find the potential across R is
Plus Two Physics Chapter Wise Questions and Answers Chapter 14 Semiconductor Electronics Materials, Devices and Simple Circuits Textbook Questions 1M Q4
Answer:
The potential across R = 17V – 9V = 8V.

Question 5.
Hole is
(a) an antiparticle of electron.
(b) a vacancy created when an electron leaves a covalent bond.
(c) absence of free electrons.
(d) an artificially created particle.
Answer:
(b) a vacancy created when an electron leaves a covalent bond.

Question 6.
A circuit is constructed by using certain gates is given below
Plus Two Physics Chapter Wise Questions and Answers Chapter 14 Semiconductor Electronics Materials, Devices and Simple Circuits Textbook Questions 1M Q6
1. Each gate is a…….. gate
2. Complete the truth table of above circuit
Plus Two Physics Chapter Wise Questions and Answers Chapter 14 Semiconductor Electronics Materials, Devices and Simple Circuits Textbook Questions 1M Q6.1
Answer:
1. NAND gate

2.
Plus Two Physics Chapter Wise Questions and Answers Chapter 14 Semiconductor Electronics Materials, Devices and Simple Circuits Textbook Questions 1M Q6.2

Question 7.
In both p and n-type semiconductor, actually electrons are flowing. What difference do you observe in the motion of electrons in these semiconductors?
Answer:
Electrons in valence band are flowing. Electrons in conduction band are flowing.

Question 8.
Unidirectional property of diode; Rectification. Then the break down action of Zener diode:…….
Answer:
Voltage regulation.

Question 9.
For an input frequency 50Hz, the output frequency……..of hall wave rectifier is and the output of full
wave rectifier for the same input frequency is………
Answer:
50 Hz, 100 Hz

Question 10.
The following questions consists of two statements. Assertion: Zener diode works as a voltage regulator Reason: Zener voltage is independent of the Zener current variations and change of load resistance. Write the correct response from the following.
(a) Both assertion and reason are true and the rea¬son is not a correct explanation of the assertion.
(b) Assertion is true, but reason is false.
(c) Both assertion and reason are true and reason is correct explanation for the assertion.
(d) Both assertion and reason are false.
Answer:
(c) Both assertion and reason are true and reason is correct explanation for the assertion.

Question 11.
Assertion: Semiconductors have -ve temperature co-efficient of resistance.
Reason: As temperature of a semiconductor increases, number density of charge carriers also increases.
(a) Both assertion and reason are correct, but reason is not proper explanation.
(b) Both assertion and reason are correct and reason is proper explanation.
(c) Assertion is correct but reason is wrong.
(d) Assertion is correct, and reason also is correct.
Answer:
(a) Assertion js correct, but reason is incorrect

Question 12.
Correct the following CE amplifier circuit.
Plus Two Physics Chapter Wise Questions and Answers Chapter 14 Semiconductor Electronics Materials, Devices and Simple Circuits Textbook Questions 1M Q12
Answer:
Plus Two Physics Chapter Wise Questions and Answers Chapter 14 Semiconductor Electronics Materials, Devices and Simple Circuits Textbook Questions 1M Q12.1

Plus Two Physics Semiconductor Electronics: Materials, Devices, and Simple Circuits Two Mark Questions and Answers

Question 1.
Plus Two Physics Chapter Wise Questions and Answers Chapter 14 Semiconductor Electronics Materials, Devices and Simple Circuits Textbook Questions 2M Q1
Answer:
Semiconductor – P-type, n-type.

Question 2.
Fill in the blanks with the appropriate word given below. (Base, collector, emitter, bias-collector junction, collector-emitter junction, emitter bias junction) Structurally, a bipolar junction transfer consists of the emitter, base and………Out of these regions……….is the most heavily doped. For proper functioning of a transistor………..is forward biased and………….is reverse biased.
Answer:

  1. Collector
  2. Emitter
  3. EB junction
  4. CB junction

Question 3.
Classify the following into conductors, insulators, and semiconductors.
Ga, As, Ni, Calcite, Graphite
Answer:

  1. Conductor – Graphite, Ni
  2. Insulator – Calcite
  3. Semiconductor – Ga, As.

Question 4.
Construct truth table for following logic circuit.
Plus Two Physics Chapter Wise Questions and Answers Chapter 14 Semiconductor Electronics Materials, Devices and Simple Circuits Textbook Questions 2M Q4
Answer:
Plus Two Physics Chapter Wise Questions and Answers Chapter 14 Semiconductor Electronics Materials, Devices and Simple Circuits Textbook Questions 2M Q4.1

Question 5.
State whether true or false and justify.

  1. Zener diode are used under forward bias.
  2. In n-p-n transistor current conduction is primarily due to electrons.
  3. Transistor amplifier do not strictly obey law of conservation of energy since output power is greater than input power.
  4. In a transistor amplifier all the frequency will have exactly equal gain.

Answer:

  1. False, Zener diodes are used under reverse bias
  2. True
  3. False
  4. False

Question 6.
Match the following
Plus Two Physics Chapter Wise Questions and Answers Chapter 14 Semiconductor Electronics Materials, Devices and Simple Circuits Textbook Questions 2M Q6
Answer:
Plus Two Physics Chapter Wise Questions and Answers Chapter 14 Semiconductor Electronics Materials, Devices and Simple Circuits Textbook Questions 2M Q6.1

Plus Two Physics Semiconductor Electronics: Materials, Devices, and Simple Circuits Three Mark Questions and Answers

Question 1.
Plus Two Physics Chapter Wise Questions and Answers Chapter 14 Semiconductor Electronics Materials, Devices and Simple Circuits Textbook Questions 3M Q1
An electric circuit containing a battery, a bulb, and two switches is given above
1. Identify the gate an alogues to the above electric circuit
2.
Plus Two Physics Chapter Wise Questions and Answers Chapter 14 Semiconductor Electronics Materials, Devices and Simple Circuits Textbook Questions 3M Q1.1
If the above two input signal are applied to the gate what will be the shape of out put wave Draw the out put wave.
Answer:
1. OR gate

2.
Plus Two Physics Chapter Wise Questions and Answers Chapter 14 Semiconductor Electronics Materials, Devices and Simple Circuits Textbook Questions 3M Q1.2

Question 2.
A boy designs a circuit to study the input and output characteristics of an npn transistor
Plus Two Physics Chapter Wise Questions and Answers Chapter 14 Semiconductor Electronics Materials, Devices and Simple Circuits Textbook Questions 3M Q2

  1. Identify the transistor configuration, input current and output current
  2. By keeping the output voltage constant, the boy measures the input current by varying the input voltage. If a graph is drawn, what is the nature of the input characteristic? Justify your answer.

Answer:
1. Common Emitter, ib, and ic

2. Input Characteristics (CE configuration):
The graph connecting base current with base-emitter voltage (at constant VCE) is the input characteristics of the transistor.
Plus Two Physics Chapter Wise Questions and Answers Chapter 14 Semiconductor Electronics Materials, Devices and Simple Circuits Textbook Questions 3M Q2.1
To study the input characteristics, the collector to emitter voltage (VCE) is kept at constant. The base current IB against VBE is plotted in a graph. The ratio ∆ VBE /∆IB at constant VCE is called the input resistance.
i.e.,Input resistance = \(r_{i}=\frac{\Delta V_{B E}}{\Delta I_{B}}\).

Question 3.
The truth table of a logic gate is given below:
Plus Two Physics Chapter Wise Questions and Answers Chapter 14 Semiconductor Electronics Materials, Devices and Simple Circuits Textbook Questions 3M Q3
1. Identify the logic gate.
2. Explain the working of this gate using diode and battery.
Plus Two Physics Chapter Wise Questions and Answers Chapter 14 Semiconductor Electronics Materials, Devices and Simple Circuits Textbook Questions 3M Q3.1
3. If these input signals are applied across the gate, what will be the shape of the output waveform.
Answer:
1. OR gate

2. Out of syllabus
Plus Two Physics Chapter Wise Questions and Answers Chapter 14 Semiconductor Electronics Materials, Devices and Simple Circuits Textbook Questions 3M Q3.2

Question 4.
A circuit using two switches (A and B), cell and bulb is shown in the figure.
Plus Two Physics Chapter Wise Questions and Answers Chapter 14 Semiconductor Electronics Materials, Devices and Simple Circuits Textbook Questions 3M Q4
1. The above circuit is equivalent to

  • OR gate
  • AND gate
  • NOT gate
  • NOR gate

2. Give symbol and truth table of the above gate
Answer:
1. OR gate

2.
Plus Two Physics Chapter Wise Questions and Answers Chapter 14 Semiconductor Electronics Materials, Devices and Simple Circuits Textbook Questions 3M Q4.1

Plus Two Physics Semiconductor Electronics: Materials, Devices, and Simple Circuits Four Mark Questions and Answers

Question 1.
Forward biased pn junction diodes are shown in the figure.
Plus Two Physics Chapter Wise Questions and Answers Chapter 14 Semiconductor Electronics Materials, Devices and Simple Circuits Textbook Questions 4M Q1

  1. Identify the figure, which shows the correct direction of flow of charges.
  2. What do you mean by barrier potential and depletion region of a pn junction?
  3. When forward bias is applied to a p-n junction, what happens to the potential barrier and the width of depletion region.

Answer:
1.
Plus Two Physics Chapter Wise Questions and Answers Chapter 14 Semiconductor Electronics Materials, Devices and Simple Circuits Textbook Questions 4M Q1.1

2. The potential developed across the junction, which tends to prevent the movement of electron from the n region into the p region, in semiconductor is called a barrier potential.

The space-charge region on either side of the junction at which there is no free charge carriers is known as depletion region.

3. The potential barrier decreases and the depletion region gets reduced.

Question 2.
The symbol of an n-p-n transistor is shown in the figure.
Plus Two Physics Chapter Wise Questions and Answers Chapter 14 Semiconductor Electronics Materials, Devices and Simple Circuits Textbook Questions 4M Q2

  1. Redraw the symbol and mark emitter, collector and base of the transistor.
  2. Arrange the doping concentration and width of emitter, collector and base regions in ascending order.
  3. What happens when both the emitter and the collector of a transistor are forward biased?

Answer:
1.
Plus Two Physics Chapter Wise Questions and Answers Chapter 14 Semiconductor Electronics Materials, Devices and Simple Circuits Textbook Questions 4M Q2.1
2. Doping concentration of base < doping concentration of collector < doping concentration of emitter. Width of base < Width of emitter < Width of collector.

3. The transistor will work as two p-n junctions with common base terminals.

Question 3.
A greenhouse has an electric system, which automatically switches ON a heater if the air temperature in the greenhouse drops too low. A manual switch is included so that the automatic system can be switched off.
Plus Two Physics Chapter Wise Questions and Answers Chapter 14 Semiconductor Electronics Materials, Devices and Simple Circuits Textbook Questions 4M Q3

  1. What is meant by 1 and 0 in digital circuit?
  2. Name logic gate X. Why is it used?
  3. Name the logic gate Y?
  4. Construct a truth table of this electronic system by taking A and B as inputs and D as output.

Answer:
1. 1 – means maximum, 0 – means minimum voltage

2. NOT gate

3. AND gate

4.
Plus Two Physics Chapter Wise Questions and Answers Chapter 14 Semiconductor Electronics Materials, Devices and Simple Circuits Textbook Questions 4M Q3.1

Question 4.
Plus Two Physics Chapter Wise Questions and Answers Chapter 14 Semiconductor Electronics Materials, Devices and Simple Circuits Textbook Questions 4M Q4
The forward-biased diode is wrongly given above.

  1. Redraw the above circuit correctly.
  2. Draw the graph of current I with voltage v in forward bias.
  3. Classify the following circuit into forward bias, reverse-bias, unbias.

Plus Two Physics Chapter Wise Questions and Answers Chapter 14 Semiconductor Electronics Materials, Devices and Simple Circuits Textbook Questions 4M Q4.1
Answer:
1.
Plus Two Physics Chapter Wise Questions and Answers Chapter 14 Semiconductor Electronics Materials, Devices and Simple Circuits Textbook Questions 4M Q4.2
2.
Plus Two Physics Chapter Wise Questions and Answers Chapter 14 Semiconductor Electronics Materials, Devices and Simple Circuits Textbook Questions 4M Q4.3

3. circuit into forward bias, reversebias, unbias:

  • Reverse bias
  • Forward bias
  • Reverse bias
  • Unbias

Question 5.
A car stereo working at stabilized voltage supply of 9 v DC and has a zener diode of 9V, 0.25W. But the voltage supply inside the car is 12V DC.

  1. Which mode of bias will you suggest to connect zener diode voltage regulator?
  2. Draw a circuit diagram of voltage regulation to help the boy.
  3. Which device is essential for circuit diagram? Find the value of that device.

Answer:
1. Reverse bias

2.
Plus Two Physics Chapter Wise Questions and Answers Chapter 14 Semiconductor Electronics Materials, Devices and Simple Circuits Textbook Questions 4M Q5

3. Resistance: R can be calculated using the equation
Vs = IR + Vz , 12 = \(\left(\frac{0.25}{9}\right)\)R + 9, R = 108Ω.

Question 6.
Electric current is the flow of charges along a definite direction and takes place through metals as well as semiconductors.

  1. Mention the charge carriers in the above cases.
  2. Give the sketch of graph with V along X-axis and I along Y-axis for metal at room temperature.
  3. Give the physical significance of the slope of the graph.
  4. If the above graph is drawn at 100°C, compared the nature of the graph with the graph at room temperature.

Answer:

  1. Metals – electrons
    Semiconductor – Electrons and holes
  2. Straight-line graph
  3. Slope gives conductance
  4. When the temperature increases, resistance is also increased and hence slope decreases.

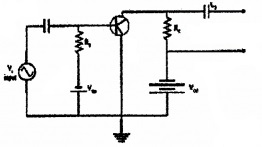
Question 7.
A transistor in the common-emitter mode can be used as an amplifier

  1. Design a circuit to amplify an ac signal given in the input region
    [Hint: Give forward biasing to input region, reverse biasing to output region and take output across a resistor]
  2. Derive expressions for voltage gain, current gain and power gain in the above transistor configuration.

Answer:
1.
Plus Two Physics Chapter Wise Questions and Answers Chapter 14 Semiconductor Electronics Materials, Devices and Simple Circuits Textbook Questions 4M Q7
2. When we apply an AC signal as input, we get an AC base current denoted by iB. Hence input AC voltage can be written as
Vi = iBr ……..(1)
where ‘r’ is the effective input resistance.
This AC input current produces an AC output current (ic) which can flow through a capacitor. Hence the output voltage can be written as
V0 = ic × output resistance
If we take output resistance as RL then v0 becomes
V0 = ic RL
Plus Two Physics Chapter Wise Questions and Answers Chapter 14 Semiconductor Electronics Materials, Devices and Simple Circuits Textbook Questions 4M Q7.1
Substituting eq(1) and eq(2),in the above equation we get
Plus Two Physics Chapter Wise Questions and Answers Chapter 14 Semiconductor Electronics Materials, Devices and Simple Circuits Textbook Questions 4M Q7.2
Power gain:
The power gain Ap can be expressed as the product of the current gain and voltage gain.
ie. power gain A = βac × Av.

Question 8.
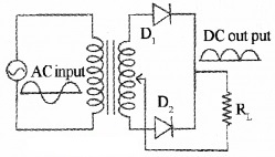
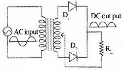
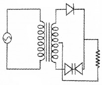
The circuit diagram of a full-wave rectifier is shown
Plus Two Physics Chapter Wise Questions and Answers Chapter 14 Semiconductor Electronics Materials, Devices and Simple Circuits Textbook Questions 4M Q8

  1. Explain how it works? Also, draw the output waveform
  2. If the frequency of a.c. at the input is 50Hz what will be the output frequency?

Answer:
1.
Plus Two Physics Chapter Wise Questions and Answers Chapter 14 Semiconductor Electronics Materials, Devices and Simple Circuits Textbook Questions 4M Q8.1
Full-wave rectifier consists of transformer two diodes and a load resistance RL. Input a.c signal is applied across the primary of the transformer. Secondary of the transformer is connected to D1, and D2. The output is taken across RL.
Working:
During the +ve half cycle of the a.c signal at secondary, the diode D1 is forward biased and D2 is reverse biased. So that current flows through D1 and RL.

During the negative half cycle of the a.c signal at secondary, the diode D1 is reverse biased and D2 is forward biased. So that current flows through D2 and RL.

Thus during both the half-cycles, the current flows through RL in the same direction. Thus we get a +ve voltage across RL for +ve and -ve input. This process is called full-wave rectification.

2. 100Hz

Question 9.
Forward biased pn junction diodes are shown in the figure.
Plus Two Physics Chapter Wise Questions and Answers Chapter 14 Semiconductor Electronics Materials, Devices and Simple Circuits Textbook Questions 4M Q9
Plus Two Physics Chapter Wise Questions and Answers Chapter 14 Semiconductor Electronics Materials, Devices and Simple Circuits Textbook Questions 4M Q9.1

  1. Identify the figure, which shows the correct direction of flow of charges. (1)
  2. What do you mean by barrier potential and depletion region of a pn junction? (2)
  3. When forward bias is applied to a p-n junction, what happens to the potential barrier and the width of depletion region. (1)

Answer:
1.
Plus Two Physics Chapter Wise Questions and Answers Chapter 14 Semiconductor Electronics Materials, Devices and Simple Circuits Textbook Questions 4M Q9.2

2. The potential developed across the junction .which tends to prevent the movement of electrons from the n region into the p region, in a semiconductor is called a barrier potential.

The space charge region on either side of the junction at which there are no free charge carriers is known as the depletion region.

3. The potential barrier decreases and the depletion region gets reduced.

Question 10.
LEDs that can emit red, yellow, orange, etc. commercially available.

  1. How these colours are obtained in a LED. (1)
  2. Write any two uses of LED. (1)
  3. What are its advantages over ordinary bulbs? (2)

Answer:
1. Different colours are obtained by changing the concentration of arsenic and phosphors in Gallium Arsenide Phosphide.

2. LEDs find extensive use in remote controls, burglar alarm systems, optical communication, etc.

3. LEDs have the following advantages over conventional incandescent low power lamps:

  • Low operational voltage and less power.
  • Fast action and no warm-up time required.
  • The bandwidth of emitted light is 100A° to 500A° or in other words it is nearly (but not exactly) monochromatic.
  • Long life and ruggedness Fast on-off switching capability.

Question 11.
The symbol of an n-p-n transistor is shown in the figure.
Plus Two Physics Chapter Wise Questions and Answers Chapter 14 Semiconductor Electronics Materials, Devices and Simple Circuits Textbook Questions 4M Q11

  1. Redraw the symbol and mark emitter, collector and base of the transistor. (1)
  2. Arrange the doping concentration and width of emitter, collector and base regions in ascending order. (2)
  3. What happens when both the emitter and the collector of a transistor are forward biased? (1)

Answer:
1.
Plus Two Physics Chapter Wise Questions and Answers Chapter 14 Semiconductor Electronics Materials, Devices and Simple Circuits Textbook Questions 4M Q11.1

2. Doping concentration of base < doping concentration of collector < doping concentration of emitter. Width of base < Width of emitter < Width of collector.

3. The transistor will work as two p-n junctions with common base terminals.

Plus Two Physics Semiconductor Electronics: Materials, Devices, and Simple Circuits Five Mark Questions and Answers

Question 1.
The transfer characteristic of the n-p-n transistor in CE configuration is shown in the figure.
Plus Two Physics Chapter Wise Questions and Answers Chapter 14 Semiconductor Electronics Materials, Devices and Simple Circuits Textbook Questions 5M Q1

  1. Identify the cut-off region, active region, saturation region from the figure.
  2. In which of these regions, a transistor is said to be switched off.
  3. For a CE transistor amplifier, the audio signal voltage across collector resistance of 2.0 kΩ is 2.0V. Suppose the current amplification factor of the transistor is 100. What should be the value of RB in series with VBB supply of 2.0V, if DC base current has to be 10 times the signal current?
  4. In the working of a transistor, the emitter-base (EB) junction is forward biased while collector-base (CB) junction is reverse biased. Why?

Answer:
1.

  • I – cut off region
  • II – active region
  • III-saturation region

2. Region I

3.
Plus Two Physics Chapter Wise Questions and Answers Chapter 14 Semiconductor Electronics Materials, Devices and Simple Circuits Textbook Questions 5M Q1.1
Idc =10-5 × 10 = 10-4A
Vbb = Vbe + IbRb
Plus Two Physics Chapter Wise Questions and Answers Chapter 14 Semiconductor Electronics Materials, Devices and Simple Circuits Textbook Questions 5M Q1.2

4. Only forward biased emitter-base junction can send the majority charge carriers from emitter to base and only reverse-biased collector can collect these majority charge carriers form the base region.

Question 2.
The basic building blocks of digital electronic circuits are called Logic Gates. Some logic gates and their names are given in the table.
Plus Two Physics Chapter Wise Questions and Answers Chapter 14 Semiconductor Electronics Materials, Devices and Simple Circuits Textbook Questions 5M Q2
1. Match the symbols of logic gates with their names.
2. Draw the output wave form, from the given input wave form of a NAND gate as shown in figure (input terminals are A and B)
Plus Two Physics Chapter Wise Questions and Answers Chapter 14 Semiconductor Electronics Materials, Devices and Simple Circuits Textbook Questions 5M Q2.1
3. Write the truth table forthe given circuit.
Plus Two Physics Chapter Wise Questions and Answers Chapter 14 Semiconductor Electronics Materials, Devices and Simple Circuits Textbook Questions 5M Q2.2
Answer:
1. Match the symbols of logic gates with their names:

  • A – 5
  • B – 1
  • C – 2
  • D – 3
  • E – 4

2.
Plus Two Physics Chapter Wise Questions and Answers Chapter 14 Semiconductor Electronics Materials, Devices and Simple Circuits Textbook Questions 5M Q2.3

3.
Plus Two Physics Chapter Wise Questions and Answers Chapter 14 Semiconductor Electronics Materials, Devices and Simple Circuits Textbook Questions 5M Q2.4

Question 3.
Following figure is an incomplete circuit of common emitter transistor in CE configuration with the input forward biased.
Plus Two Physics Chapter Wise Questions and Answers Chapter 14 Semiconductor Electronics Materials, Devices and Simple Circuits Textbook Questions 5M Q3

  1. Identify the transistor an NPN or PNP.
  2. Complete the above circuit diagram by giving proper bias in the output and connect load resistance of 4 KΩ.
  3. When the base current changes by 20µ Afor VBE = .02 V. What is the voltage gain of the amplifier, if Ic = 2mA
  4. npn transistors are preferred in devices with very high-frequency source. Why?

Answer:
1. npn transistor

2.
Plus Two Physics Chapter Wise Questions and Answers Chapter 14 Semiconductor Electronics Materials, Devices and Simple Circuits Textbook Questions 5M Q3.1

3.
Plus Two Physics Chapter Wise Questions and Answers Chapter 14 Semiconductor Electronics Materials, Devices and Simple Circuits Textbook Questions 5M Q3.2

4. The resistance of a semiconductor decreases with rise in temperature.

Question 4.
Diodes are one of the building elements of electronic circuits. Some type of diods are shown in the figure.
Plus Two Physics Chapter Wise Questions and Answers Chapter 14 Semiconductor Electronics Materials, Devices and Simple Circuits Textbook Questions 5M Q4

  1. Identify rectifier diode from the figure.
  2. Draw the circuit diagram of a forward-biased rectifier diode by using a battery.
  3. Draw the forward and reverse bias characteristics of a rectifier diode and mark threshold voltage or cut in voltage.
  4. What happens to the resistance of a semiconductor on heating?

Answer:
a.
Plus Two Physics Chapter Wise Questions and Answers Chapter 14 Semiconductor Electronics Materials, Devices and Simple Circuits Textbook Questions 5M Q4.1

b.
Plus Two Physics Chapter Wise Questions and Answers Chapter 14 Semiconductor Electronics Materials, Devices and Simple Circuits Textbook Questions 5M Q4.2

c. The forward and reverse characteristics of a silicon diode is as shown in the fig.
Plus Two Physics Chapter Wise Questions and Answers Chapter 14 Semiconductor Electronics Materials, Devices and Simple Circuits Textbook Questions 5M Q4.3

d. The resistance of a semiconductor decreases with rise in temperature.

Question 5.
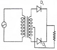
A full-wave rectifier circuit is shown in figure.
Plus Two Physics Chapter Wise Questions and Answers Chapter 14 Semiconductor Electronics Materials, Devices and Simple Circuits Textbook Questions 5M Q5
1. Draw the output wave form of the rectifier.
2. If a full wave rectifier circuit is operating from 50 Hz mains, the fundamental frequency in the ripple will be

  • 50 Hz
  • 70.7 Hz
  • 100 Hz
  • 25 Hz

3. In a zener regulated power supply, a Zener diode with Vz = 6.0V is used for regulation. The load current is to be 4.0 mA and the unregulated input 10.0V. What is the value of series resistor R?
Plus Two Physics Chapter Wise Questions and Answers Chapter 14 Semiconductor Electronics Materials, Devices and Simple Circuits Textbook Questions 5M Q5.1
Answer:
1.
Plus Two Physics Chapter Wise Questions and Answers Chapter 14 Semiconductor Electronics Materials, Devices and Simple Circuits Textbook Questions 5M Q5.2

2. 100 Hz

3. Input Voltage = 10V, Zener voltage Vz = 6V The voltage drop on the resistor should be 4V
Plus Two Physics Chapter Wise Questions and Answers Chapter 14 Semiconductor Electronics Materials, Devices and Simple Circuits Textbook Questions 5M Q5.3

Question 6.
A P N junction diode is connected to a cell as shown in figure.
Plus Two Physics Chapter Wise Questions and Answers Chapter 14 Semiconductor Electronics Materials, Devices and Simple Circuits Textbook Questions 5M Q6

  1. Name the type of biasing used here
  2. Design a circuit diagram to draw the characteristics of the diode in the above biasing.
  3. Trace the characteristics curve if the polarity of the battery is reversed

Answer:
1. forward biasing

2.
Plus Two Physics Chapter Wise Questions and Answers Chapter 14 Semiconductor Electronics Materials, Devices and Simple Circuits Textbook Questions 5M Q6.1

3.
Plus Two Physics Chapter Wise Questions and Answers Chapter 14 Semiconductor Electronics Materials, Devices and Simple Circuits Textbook Questions 5M Q6.2
In forward bias, current first increases very slowly up to a certain value of bias voltage. After this voltage, diode current increases rapidly. The diode offers low resistance in forward bias.

In reverse bias, current is very small. It remains almost constant upto break down voltage (called reverse saturation current). After this voltage reverse current increases sharply.

Question 7.
The circuit diagram of a full wave rectifier is shown.
Plus Two Physics Chapter Wise Questions and Answers Chapter 14 Semiconductor Electronics Materials, Devices and Simple Circuits Textbook Questions 5M Q7
1. Explain how its works? Also draw the output waveform.
2. If another diode is connected in series with D2, as shown below what will happen to the out put waveform?
Plus Two Physics Chapter Wise Questions and Answers Chapter 14 Semiconductor Electronics Materials, Devices and Simple Circuits Textbook Questions 5M Q7.1
3. If the frequency of a.c. at the input is 50Hz what will be the output frequency of full-wave rectifier?
Answer:
1.
Plus Two Physics Chapter Wise Questions and Answers Chapter 14 Semiconductor Electronics Materials, Devices and Simple Circuits Textbook Questions 5M Q7.2
Full wave rectifier consists of transformer two diodes and a load resistance RL. Input a.c signal is applied across the primary of the transformer. Secondary of the transformer is connected to D1, and D2. The output is taken across RL.
Working:
During the +ve half cycle of the a.c signal at secondary, the diode D1 is forward biased and D2 is reverse biased. So that current flows through D1 and RL.

During the negative half cycle of the a.c signal at secondary, the diode D1 is reverse biased and D2 is forward biased. So that current flows through D2 and RL.

Thus during both the half cycles, the current flows through RL in the same direction. Thus we get a +ve voltage across RL for +ve and -ve input. This process is called full wave rectification.

2. Out put will be halfwave.

3. 100 Hz.

Question 8.
Diodes are one of the building elements of electronic circuits. Some type of diods are shown in the figure.
Plus Two Physics Chapter Wise Questions and Answers Chapter 14 Semiconductor Electronics Materials, Devices and Simple Circuits Textbook Questions 5M Q8

  1. Identify rectifier diode from the figure. (1)
  2. Draw the circuit diagram of a forward-biased rectifier diode by using a battery. (1)
  3. Draw the forward and reverse bias characteristics of a rectifier diode and mark threshold voltage or cut in voltage. (2)
  4. What happens to the resistance of a semiconductor on heating? (1)

Answer:
1.
Plus Two Physics Chapter Wise Questions and Answers Chapter 14 Semiconductor Electronics Materials, Devices and Simple Circuits Textbook Questions 5M Q8.1

2.
Plus Two Physics Chapter Wise Questions and Answers Chapter 14 Semiconductor Electronics Materials, Devices and Simple Circuits Textbook Questions 5M Q8.2

3. The forward and reverse characteristics of a silicon diode is as shown in the fig.
Plus Two Physics Chapter Wise Questions and Answers Chapter 14 Semiconductor Electronics Materials, Devices and Simple Circuits Textbook Questions 5M Q8.3
4. The resistance of a semiconductor decreases with rise in temperature.

Question 9.
A full-wave rectifier circuit is shown in figure.
Plus Two Physics Chapter Wise Questions and Answers Chapter 14 Semiconductor Electronics Materials, Devices and Simple Circuits Textbook Questions 5M Q9
1. Draw the output waveform of the rectifier. (1)
2. If a full-wave rectifier circuit is operating from 50 Hz mains, the fundamental frequency in the ripple will be (2)

  • 50 Hz
  • 70.7 Hz
  • 100 Hz
  • 25 Hz (2)

3. In a zener regulated power supply, a Zener diode with Vz = 6.0V is used for regulation. The load current is to be 4.0 mA and the unregulated input 10.0V. What is the value of series resistor R?(2)
Plus Two Physics Chapter Wise Questions and Answers Chapter 14 Semiconductor Electronics Materials, Devices and Simple Circuits Textbook Questions 5M Q9.1
Answer:
1.
Plus Two Physics Chapter Wise Questions and Answers Chapter 14 Semiconductor Electronics Materials, Devices and Simple Circuits Textbook Questions 5M Q9.2

2. 100 Hz

3. Input Voltage = 10V, Zener voltage Vz = 6V The voltage drop on the resistor should be
Plus Two Physics Chapter Wise Questions and Answers Chapter 14 Semiconductor Electronics Materials, Devices and Simple Circuits Textbook Questions 5M Q9.3

Question 10.
The following diagram shows energy bands in a semiconductor.
Plus Two Physics Chapter Wise Questions and Answers Chapter 14 Semiconductor Electronics Materials, Devices and Simple Circuits Textbook Questions 5M Q10
(a) Which diagram shows energy band positions at OK? (1)
(b) What do you mean by energy gap? Match the elements /compounds with their respective energy gap values. (1)

Diamond6 eV
Aluminium0.03 eV
Germanium1.1 eV
Silicon0.71 eV

(c) Classify solids into conductors, semiconductors, and insulators by drawing energy diagram. (3)
Answer:
(a)
Plus Two Physics Chapter Wise Questions and Answers Chapter 14 Semiconductor Electronics Materials, Devices and Simple Circuits Textbook Questions 5M Q10.1

(b) The gap between the top of the valence band and bottom of the conduction band is called the energy band gap.

Column IColumn II
A. Diamond1. 1.1 eV
B.  Aluminium2. 0.71 eV
C. Germanium3. 0.03 eV
D. Silicon4. 6 eV

(c) For conductors
Plus Two Physics Chapter Wise Questions and Answers Chapter 14 Semiconductor Electronics Materials, Devices and Simple Circuits Textbook Questions 5M Q10.2
For Insulators
Plus Two Physics Chapter Wise Questions and Answers Chapter 14 Semiconductor Electronics Materials, Devices and Simple Circuits Textbook Questions 5M Q10.3
For Semiconductors
Plus Two Physics Chapter Wise Questions and Answers Chapter 14 Semiconductor Electronics Materials, Devices and Simple Circuits Textbook Questions 5M Q10.4

Question 11.
The given figure shows an npn transistor.
Plus Two Physics Chapter Wise Questions and Answers Chapter 14 Semiconductor Electronics Materials, Devices and Simple Circuits Textbook Questions 5M Q11

  1. Redraw the figure and show the biasing voltage, direction of current and direction of flow of electrons and holes. (2)
  2. Draw the input and output characteristics of transistor connected in common emitter configuration. (2)
  3. In a transistor, a change of 7.9mA is observed in the collector current for a change of 7.99mA in the emitter current. Determine the change in base current. (1)

Answer:
1.
Plus Two Physics Chapter Wise Questions and Answers Chapter 14 Semiconductor Electronics Materials, Devices and Simple Circuits Textbook Questions 5M Q11.1

2. Input characteristic
Plus Two Physics Chapter Wise Questions and Answers Chapter 14 Semiconductor Electronics Materials, Devices and Simple Circuits Textbook Questions 5M Q11.2
Output characteristic
Plus Two Physics Chapter Wise Questions and Answers Chapter 14 Semiconductor Electronics Materials, Devices and Simple Circuits Textbook Questions 5M Q11.3

3. ∆IE = ∆Ic + ∆IB, ∆Ic = 7.9mA, ∆IE = 7.99mA
∆IB = ∆IE – ∆Ic
= 7.99 – 7.9 = 0.09mA.

Question 12.
The transfer characteristic of n-p-n transistor in CE configuration is shown in the figure.
Plus Two Physics Chapter Wise Questions and Answers Chapter 14 Semiconductor Electronics Materials, Devices and Simple Circuits Textbook Questions 5M Q12

  1. Identify the cut-off region, active region, saturation region from the figure. (1)
  2. In which of these regions, a transistor is said to be switched off. (1)
  3. For a CE transistor amplifier, the audio signal voltage across collector resistance of 2.0 kΩ is 2.0V. Suppose the current amplification factor of the transistor is 100. What should be the value of RB in series with VBB supply of 2.0V, if DC base current has to be 10 times the signal current? (2)
  4. In the working of a transistor, the emitter-base (EB) junction is forward biased while collector-base (CB) junction is reverse biased. Why? (1)

Answer:
1. cut-off region, active region, saturation region from the figure:

  • I – cut off region
  • II – active region
  • III – saturation

2. Region I

3.
Plus Two Physics Chapter Wise Questions and Answers Chapter 14 Semiconductor Electronics Materials, Devices and Simple Circuits Textbook Questions 5M Q12.1

4. Only forward biased emitter-base junction can send the majority charge carriers from emitter to base and only reverse-biased collector can collect these majority charge carriers form the base region.

Question 13.
The basic building blocks of digital electronic circuits are called Logic Gates. Some logic gates and their names are given in the table.
Plus Two Physics Chapter Wise Questions and Answers Chapter 14 Semiconductor Electronics Materials, Devices and Simple Circuits Textbook Questions 5M Q13
1. Match the symbols of logic gates with their names. (2)
2. Draw the output wave form, from the given input wave form of a NAND gate as shown in figure (input terminals are A and B) (1)
Plus Two Physics Chapter Wise Questions and Answers Chapter 14 Semiconductor Electronics Materials, Devices and Simple Circuits Textbook Questions 5M Q13.1
3. Write the truth table for the given circuit. (2)
Plus Two Physics Chapter Wise Questions and Answers Chapter 14 Semiconductor Electronics Materials, Devices and Simple Circuits Textbook Questions 5M Q13.2
Answer:
1. Match the symbols of logic gates with their names:

  • A – 5
  • B – 1
  • C – 2
  • D – 3
  • E – 4

2.
Plus Two Physics Chapter Wise Questions and Answers Chapter 14 Semiconductor Electronics Materials, Devices and Simple Circuits Textbook Questions 5M Q13.3

3.
Plus Two Physics Chapter Wise Questions and Answers Chapter 14 Semiconductor Electronics Materials, Devices and Simple Circuits Textbook Questions 5M Q13.4

Question 14.
Plus Two Physics Chapter Wise Questions and Answers Chapter 14 Semiconductor Electronics Materials, Devices and Simple Circuits Textbook Questions 5M Q14

  1. According to energy gap, Classify them as metal, Insulator, and semiconductor.
  2. From which of the above material we can eject electrons with minimum effort Explain
  3. In Photo electric effect, while we are measuring photo current by varying retarding potential the variations is as shown in graph.

Plus Two Physics Chapter Wise Questions and Answers Chapter 14 Semiconductor Electronics Materials, Devices and Simple Circuits Textbook Questions 5M Q14.1
Answer:

  1. Insulator, semiconductor, and conductor
  2. Metals
  3. This graph shows that photocurrent increases and reaches saturation with anode potential. This increase in current shows that electrons are emitted from the metal surface with different energies.

Question 15.
A diode can be properly doped at the time of its manufacture so that it has a shape break down voltage.
1. The above diode is called

  • Zener diode
  • Photodiode
  • Light-emitting diode
  • Solar cell

2. Compare V-l Characteristics of the above diode with that of an ordinary diode

3. Explain how the above diode can be used as a voltage regulator.

Answer:
1. Zener diode

2. Zener diode has sharp breakdown voltage than ordinary diode

3.
Plus Two Physics Chapter Wise Questions and Answers Chapter 14 Semiconductor Electronics Materials, Devices and Simple Circuits Textbook Questions 5M Q15
The zener diode is connected to a fluctuating voltage supply through a resistor Rz. The out put is taken across RL.
Working:
Whenever the supply voltage increases beyond the breakdown voltage, the current through zener increases (and also through Rz).

Thus the voltage across Rz increases, by keeping the voltage drop across zener diode as a constant value. (This voltage drop across Rz is proportional to the input voltage)

Similarly, when supply voltage decreases beyond a certain value, the current through the zener diode decreases. Thus the voltage across Rz decreases, by keeping the voltage drop across zener diode as constant (Zener diode as a voltage regulator).

We hope the Kerala Plus Two Physics Chapter Wise Questions and Answers Chapter 14 Semiconductor Electronics: Materials, Devices and Simple Circuits help you. If you have any query regarding Kerala Plus Two Physics Chapter Wise Questions and Answers Chapter 14 Semiconductor Electronics: Materials, Devices and Simple Circuits, drop a comment below and we will get back to you at the earliest.