CBSE Sample Papers for Class 12 Physics Paper 3 are part of CBSE Sample Papers for Class 12 Physics. Here we have given CBSE Sample Papers for Class 12 Physics Paper 3.
CBSE Sample Papers for Class 12 Physics Paper 3
| Board | CBSE |
| Class | XII |
| Subject | Physics |
| Sample Paper Set | Paper 3 |
| Category | CBSE Sample Papers |
- All questions are compulsory. There are 26 questions in all.
- This question paper has five sections: Section A, Section B, Section C, Section D and Section E.
- Section A contains five questions of 1 mark each. Section B contains five questions of 2 marks each. Section C contains twelve questions of 3 marks each. Section D contains one value based question of 4 marks and Section E contains three questions of 5 marks each.
- There is no overall choice. However, an internal choice has been provided in 1 question of 2 marks, 1 question of 3 marks and all the 3 questions of 5 marks weightage. You have to attempt only 1 of the choices in such questions.
- You may use the following values of physical constants wherever necessary :


Questions
SECTION : A
Question 1.
In which situation is there a displacement current but no conduction current?
Question 2.
The power factor of a circuit is 0.5. What is the phase difference between voltage and current in the circuit?
Question 3.
Two wire one of the copper and other of manganin have same resistance and equal length. Which wire is thicker and why?
Question 4.
Determine the term ‘relaxation time’ in a conductor.
Question 5.
Name the logic gates marked P and Q in the given logic circuit.

Question 6.
How is electrostatic shielding used in actual practice? Is the potential in the cavity of a charged conductor zero?
SECTION : B
Question 7.
State two properties of electromagnetic waves. How can we show that em waves carry momentum?
Question 8.
Write briefly the underlying principle used in Davisson-Germer experiment to verify wave nature of electrons experimentally. What is the de-Broglie wavelength of an electron with kinetic energy (KE) 120 eV?
Question 9.
In the ground state of hydrogen atom, its Bohr radius is given as 5.3 x 10 m. The atom is excited such that the radius becomes 21.2 x 10 -11 m.
Find
(i) the value of the principal quantum number and
(ii) the total energy of the atom in the excited state.
OR
The energy levels of a hypothetical atom are shown below, which of the shown transitions will result in the emission of photon of wavelength 275 nm? Which of these transitions correspond to emission of radiation of the
(i) maximum and
(ii) the minimum wavelength?

Question 10.
Write the function of a
(i) transducer and
(ii) repeater in a communication system.
SECTION : C
Question 11.
Two harmonic waves of monochromatic light y1 = a cos ωt and y2 = a cos (ωt + Φ) are superimposed on each other. Show that maximum intensity in interference pattern is four times the intensity due to each slit. Hence write condition for constructive and destructive interference in terms of the phase angle Φ.
Question 12.
A proton and an electron have same kinetic energy. Which one has smaller de-Broglie wavelength and why?
Question 13.
A capacitor of unknown capacitance, a resistance of 100 Ω and an inductor of self inductance L = 4/π2 henry are connected in series to an ac source of 200 V and 50 Hz. Calculate the value of capacitance and impedance of the circuit when the current is in phase with the voltage. Calculate the power dissipated in the circuit.
Question 14.
(a) Explain briefly the process of emission of Light Emitting Diode (LED).
(b) Which semiconductors are preferred to make LEDs and why?
(c) Give two advantages of using LEDs over conventional incandescent lamps.
Question 15.
Aparallel plate capacitor (C1) having charge Q is connected to an identical uncharged capacitor C2 in series.
(a) What would be the charge accumulated on capacitor C2?
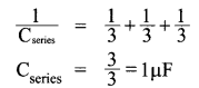
Three identical capacitors each of capacitance 3μF are connected, in turn, in series and in parallel combination to the common source of V volt. Find out the ratio of energies stored in two configurations.
Question 16.
Using Bohr’s postulates, obtain the expression for the total energy of the electron in the stationary states of the hydrogen atom. Hence draw the energy level diagram showing how the line spectra corresponding to Balmer series occur due to transition between energy levels.
Question 17.
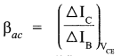
Draw a circuit diagram of a common emitter amplifier using n-p-n transistor. Write the formula for the current gain βac . Give two reasons to use a common emitter amplifier.
Question 18.
Plot the graph showing the variation of binding energy per nucleon as a function of mass number. Which property of nuclear force explains the approximate constancy of binding energy in the range 30 < A < 170 ? How does one explain the release of energy in both the processes of nuclear fission and fusion from the graph?
Question 19.
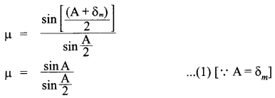
For a prism of glass (μ= \(\sqrt { 3 }\)) the angle of minimum deviation is equal to the angle of the prism. Calculate the angle of prism. Draw ray diagram in which incident ray falls normally on one of the two equal sides of a right angled isosceles prism having refractive index μ= \(\sqrt { 3 }\)
Question 20.
Derive an expression for the electric field intensity at a point on the equatorial line of the electric dipole of dipole moment \(\vec { P } \) and length 2a.
Question 21.
(i) Mention two properties of soft iron due to which it is preferred for making an electromagnet.
(ii) State Gauss’s law in magnetism. How is it different from Gauss’s law in electrostatic and why?
OR
Derive an expression for the axial magnetic field of a finite solenoid of length 2l and radius r carrying current I. Under what condition does the field becomes equivalent to that produced by a bar magnet.
Question 22.
(i) Name the phenomenon on which for the working of an optical fibre is based.
(ii) What are the necessary conditions for this phenomenon to occur?
(iii) Draw a labelled diagram of an optical fibre and show how light propagates through the optical fibre using the phenomenon.
SECTION : D
Question 23.
During a thunderstorm the ‘live’ wire of the transmission line fell down on the ground. A group of boys passing through noticed it and some of them wanted to place the wire by the side. As they were approaching the wire and trying to lift it, Hari noticed it and immediately pushed them away to prevent them from touching the wire. Two of them got hurt in the process. Hari took them to a doctor to get medical aid.
Based on the above paragraph, answer the following :
- Write two values which Hari displayed during the incident.
- Why is it that a bird can sit over a suspended ‘live’ wire without any harm whereas touching if on the ground can give a fatal shock?
- The electric power from a power plant is set up to a very high voltage before transmitting it to distant consumers. Write the reason for it.
SECTION : E
Question 24.
When a parallel beam of monochromatic source of light of wavelength X is incident on a single slit of width a, show how the diffraction pattern is formed at the screen by the interference of the wavelength from the slit.
Show that, besides the central maximum at θ = 0°, secondary maxima are observed at
![]()
Why do secondary maxima get weaker in intensity with increasing nl Explain.
OR
Draw a ray diagram showing the geometry of formation of image of a point object situated on the principal axis and on the convex side of a spherical surface of radius of curvature R. Taking the rays as incident from a rarer medium of refractive index n1 to a denser medium of refractive index n2, derive the relation.
![]()
where symbols have their usual meaning. Explain briefly how the focal length of a convex lens changes with increase in wavelength of incident light. What happens to the focal length of convex lens when it is immersed in water? Refractive index of the material of lens is greater than that of water.
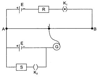
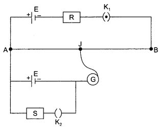
Question 25.
Find the magnitude and direction of current in 1 Ω resistor in the given circuit. Two students X and Y perform an experiment on potentiometer separately using the circuit diagram shown alongside keeping other things unchanged.
(a) X increases the value of resistance R,
(b) Y decreases the value of resistance S in the setup. How will these changes affect the position of null point in each case and why?

OR
(a) State Kirchhofif’s rules. Apply Kirchhoffs rules to the loops ACBPA and ACBQA to write the expression for the currents I1 I2 and I3 in the network.

(b) On what principle does the meter bridge work? Why are the metal strips used in the bridge?
Question 26.
Express Biot-Savart law in the vector form. Use it to obtain the expression for the magnetic field at an axial point, distance x from the centre of circular coil of radius r carrying current I. Also, find the ratio of the magnitude of the magnetic field of this coil at the centre and at an axial point for which x = r\(\sqrt { 3 }\).
OR
Consider a beam of charged particles moving with varying speeds. Show how crossed electric and magnetic fields can be used to select charged particles of a particular velocity? Name another device/machine which uses crossed electric and magnetic fields. What does this machine do and what are the functions of magnetic and electric fields in this machine? Where do these fields exist in this machine? Write about their natures.
Answers
SECTION : A
Answer 1.
During charging or discharging there is a displacement current but no conduction current between plates of capacitor.
Answer 2.
cos θ = 0.5 ⇒ θ = 60°, therefore phase angle = 60°
Answer 3.
Manganin wire is thicker because R = ρl/A As ρ increases A also increases.
Answer 4.
The average time between successive collisions of electrons in a conductor is known as relaxation time.
Answer 5.
The logic gate P is NAND gate and Q is OR gate.
SECTION : B
Answer 6.
During lightning it is safest to sit inside a car, rather then near a tree. The metallic body of a car becomes an electrostatic shielding from lightning. Potential inside the cavity is not zero. Potential is constant.
Answer 7.
Properties of electromagnetic waves :
- Transverse nature
- Does not get deflected by electric fields or magnetic fields.
- Same speed in vacuum for all waves.
- No material medium is required for propagation.
- They get refracted, diffracted and polarised.
Electric charges present on a plane, kept normal to the direction of propagation of an em waves can be set and energy and momentum from the waves.
Answer 8.
In Davisson-Germer experiment a beam of electron is allowed to fall on nickel crystal. Atoms of nickel causes diffraction of electron beam at different angle. Thus, the underlying principle of experiment is to observe diffraction effects of electron beam to study wave nature of electrons.

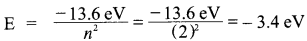
Answer 9.
(i)

(ii)
![]()
OR

Hence, the transition B would result in the emission of a photon of wavelength 275 nm
- Transition A, corresponds to the maximum wavelength.
- Transition D, corresponds to the minimum wavelength.
Answer 10.
(i) Transducer :
The device which converts one form of energy into another. It converts some physical variable into corresponding variations in the electrical signal at its output.
(ii) Repeater :
A repeater is a combination of a receiver and the transmitter. It picks up the signal from transmitter, amplifies and retransmits it to the receiver.
SECTION : C
Answer 11.
The result displacement will be given by
y = y1 +y2 = a cos ωt + a cos (ωt + Φ)
a[cos ωt + cos (ωt + Φ)]
2a cos (Φ/2) cos (ωt + Φ2)
The amplitude of the resultant displacement is 2a cos (Φ/2).
The intensity of light is directly proportional to the square of amplitude of the wave. The resultant intensity will be given by

Answer 12.
In terms of kinetic energy, wavelength is given by
![]()
So wavelength is inversely proportional to \(\sqrt { m }\) , i.e.., more the mass less will be the wavelength and vice-versa. So, for same kinetic energy, as a proton has a larger mass than an electron, thus a proton has smaller de-Broglie wavelength than an electron for the same kinetic energy.
Answer 13.
Capacitance :

Answer 14.
(a) During forward bias of LED, electrons move from n side to p side and holes move from p side to n side. During recombination, energy is released in the form of photons having energy hv of the order of the band gap.
(b) GaAs (Gallium Arsenide), CdTe (Cadmium Tellurium) etc. are the semiconductors preferred to make LEDs. Band gap of semiconductors used to manufacture LED’s should be 1.8 eV to 3 eV. These materials have band gap which is suitable to produce desired visible light wavelengths.
(c)
- Low operation voltage and less power consumption
- fast action and no warm up time required,
- nearly monochromatic,
- long life, ruggedness,
- fast on and off switching capacity.
Answer 15.
(a) Zero
(b)We have


Answer 16.
According to Bohr’s postulates, in a hydrogen atom, a single electron revolves around a nucleus of positive charge. For an electron moving with a uniform speed in a circular orbit of a given radius, the centripetal force is provided by Coulomb force of attraction between the electron and the nucleus. The gravitational attraction may be neglected as the mass of electron and proton is very small. So,
![]()
where
m = mass of electron
r = radius of electronic orbit
v = velocity of electron.
Again,
![]()
From equation (1), we get

When the electron in a hydrogen atom jumps from higher energy level to the lower energy level, the difference of energies of the two energy levels is emitted as a radiation of particular wavelength. It is called a spectral line. In H-atom, an electron jumps from the orbit ni to orbit nf the wavelength of the emitted radiation is given by,
![]()
Where
R → Rydberg’s constant = 1.09678 x 10-7 m-1
For Balmer series, nf = 2 and ni = 3, 4, 5 …..
![]()
Where, ni = 3, 4, 5 ,…….
These spectral lines lie in the visible region.

Answer 17.

Current gain :

Reason for using a Common Emitter (CE) amplifier :
- Voltage gain is quite high.
- Voltage gain is uniform over a wide frequency range or power gain is high.
Answer 18.

The value of B.E./ Nucleon gives a measure of the stability of that nucleus. Greater is the BE./ Nucleon of a nucleus more stable is the nucleus. The nuclear force between two nucleons falls rapidly to zero as their distance is more than a few femtometres which leads to saturation of forces. This saturation effect of nuclear force is responsible for the approximate constancy of B.E. in the range 30 < A < 120.
It is clear from the curve that B.E./N of the fused nuclei is more than that of the light nuclei taking part in nuclear fusion. Hence energy get released in nuclear fusion. In nuclear fission the sum of the masses of the final products is lesser than the sum of the masses of reactant components. This loss in mass (mass defect) is converted into energy according to E = mc2.
Answer 19.
At min deviation


Alternatively,
![]()
∴ Angle of incidence in denser medium > ic.
∴ Total internal reflection takes place.
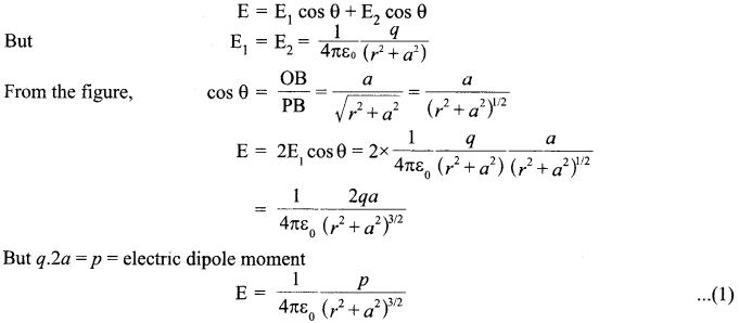
Answer 20.
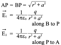
At a point of equatorial line :
Consider a point P on broad side on the position of dipole formed of charges +q and -q at separation 2a. The distance of point P from mid point (O) of electric dipole is r.
Let
![]()
be the electric field strengths due to charges +q and q of electric dipole.

From fig.


∴ Resultant electric field at P is

If dipole is infinitesimal and point P is far away, we have a < < r, so a may be neglected as compared to r and so equation (1) gives

i.e., electric field strength due to a short dipole at broadside on position

Its direction is parallel to the axis of dipole from positive to negative charge.
Answer 21.
(i) Low coercivity and high permeability.
(ii) Gauss’s law magnetism :
The net magnetic flux through any closed surface is zero.
Gauss’s law electrostatics :
The net electric flux through any closed surface is times the net charge.
![]()
The difference between Gauss’s law of magnetism and that for electrostatic is a reflection of the fact that magnetic monopole do not exist in pairs.
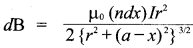
OR
Consider a solenoid of length 2l, radius r and carrying current I and having n turns per unit length. Consider a point at a distance a from the centre of solenoid. Consider an element of solenoid of length dx at a distance x from its centre. This element is a circular current loop having (ndx) turns. The magnetic field at axial point due to this current loop is
![]()
The total magnetic field due to entire solenoid is

This is also the far axial magnetic field of a bar magnet. Hence the magnetic field, due to current carrying solenoid along its axial line is similar to that of a bar magnet for far axial points.
Answer 22.
(i) Working of an optical fibre is based on total internal reflection.
(ii) (a) Rays of light have to travel from optically denser medium to optically rarer medium and
(b) Angle of incidence in the denser medium should be greater than critical angle.
(iii)

It is very long and thin pipe of quartz (n = 1.7) of thickness nearly ≈ 10-4 m coated all around with a material of refractive index 1-5. A large number of such fibres held together form a light pipe and are used for communications of light signals. When a light ray is incident on one end at a small angle of incidence, it suffers refractions from air to quartz and strikes the quartz – coating interface at an angle more than the critical angle and so suffers total internal reflection and strikes the opposite face again at an angle greater than critical angle and so again suffers total internal reflection. Thus the ray within the fibre suffers multiple total internal reflections and finally strikes the other end at an angle less than critical angle for quartz – an interface and emerges in air.
As there is no loss of energy in total internal reflection, the light signal is transmitted by this device without any applicable loss of energy. Optical fibre is used to transmit light signal at distant places.
SECTION : D
Answer 23.
- Caring, helpful, presence of mind.
- Bird sitting on a live wire has both feet at the same potential and current passes between two points only when there is a potential difference between them.
- To minimise power loss during transmission.
SECTION : E
Diffraction of light at a single slit: when monochromatic light is made incident on a single slit, we get diffraction pattern on a screen placed behind the slit. The diffraction pattern contains bright and dark bands, the intensity of central band is maximum and goes on decreasing on both sides.
We thus get a diffraction pattern on the screen, made up of points of maxima and minima.

Secondary maxima keep on getting weaker in intensity, with increasing n. This is because, at the
- First secondary maxima, the net contribution is only from l/3rd of the incident wavefront on the slit.
- Second secondary maxima, the net contribution is only from l/5th of the incident wavefront on the slit, and so on.
OR

Answer 25.

Apply Kirchhoff’s law in smaller loop; E -I Φ = 0 where, Φ is potential drop per unit length in potentiometer wire,
OR
E = I Φ, I = E/Φ
As X increases the value of resistance R, so current in wire decreases. Hence Φ will be increased. Then I will decreases i.e., as X increases the value of R, the null point decreases.
(ii) K2 is open, K1 is closed
Resistance S is not involved in the circuit because K2 is open.
E = I Φ or I = E/Φ
Here Φ does not depends upon the value of resistance S.
So null point is not affected by decreasing the value of resistance.
OR
(a) Kirchhoff’s rule :
- It states that an algebraic sum of the currents meeting at a junction in a closed circuit is zero Σl = 0
- The algebraic sum of changes in potential around any closed loop involving resistors and cells in the loop is zero.
In loop ACBPA, by Kirchhoffs rule,
12I3 – 0.5 I1 + 6 = 0 …(1)
In loop ACBQA, by Kirchhoffs rule,
12I3 + I2+ 10 = 0 …(2)
(b) The working of a meter bridge is based on the principle of wheatstone bridge.

A wheatstone bridge is an arrangement of four resistance used to determine one of these resistance quickly and accurately in term of the remaining three resistances. When the bridge is balanced then P/Q = R/S
Answer 26.
Biot Savait’s Law in vector form

Consider a point P at a distance x from the centre O of solenoid. Consider an element of solenoid of length chc at a distance r from its centre. This element is a circular current loop having (ndx) turns. The magnetic field at axial point P due to this current loop is
![]()
The total magnetic field due to entire solenoid is

We hope the CBSE Sample Papers for Class 12 Physics Paper 3 help you. If you have any query regarding CBSE Sample Papers for Class 12 Physics Paper 3, drop a comment below and we will get back to you at the earliest.